
特点
● 低噪声,采用内置 TEC 的同轴光器件
● 支持 ITU C 波段
● 超宽的工作频率范围 10MHz~21GHz
● 自动光功率控制(APC)和自动温度控制(ATC) 功能
● 平坦的频率响应
● 大动态范围
● 出色的 EMC/EMI 设计,通过 CE 认证
运用
● 天线拉远
● 保密通信
● 光纤延迟线
● 分布式天线系统
● 宽带无线通信
● OFDM 光纤传输系统
绝对最大额定值
| 项目 | 符号 | 测试条件 | 最小 | 最大 | 单位 |
| 工作温度范围 | Topr | 壳体温度 | -55 | +85 | °C |
| 存储温度范围 | Tstg | -55 | +85 | °C | |
| 直流工作电压 | Vd | -5V 输入脚 | -5.5 | -4.7 | V |
| +5V 输入脚 | +4.7 | +5.5 | |||
| 射频输入功率 | Prf | 连续波信号 | — | 20 | dBm |
| 相对湿度 | Hr | 10 | 95 | % | |
| 压强 | Pr | 86 | 106 | kPa | |
| 静电等级 ESD | 人体模型 | — | Class 1A |
典型指标(CWDM)
| 项目 | 测试条件 | 最小 | 典型 | 最大 | 单位 | |||||||||||||||
| 工作频率范围 | TSC | 0.01 ~ 3 | GHz | |||||||||||||||||
| TCC | 0.01 ~ 6 | |||||||||||||||||||
| TXC | 0.01 ~ 12 | |||||||||||||||||||
| TYC | 0.1 ~ 16 | |||||||||||||||||||
| TUC① | 0.1 ~ 18 | |||||||||||||||||||
| TUC② | 0.5 ~ 18 | |||||||||||||||||||
| TKC | 0.5 ~ 21 | |||||||||||||||||||
| 光波长 | λ0 为标准 CWDM 波长 | 可选 | nm | |||||||||||||||||
| 波长精度范围 | 全温范围,开启温控 | λ0-3 | λ0 | λ0 +3 | nm | |||||||||||||||
| 发射光功率 | +25℃ | — | 9 | — | dBm | |||||||||||||||
| 带内波动 | TSC | 100MHz~3GHz | — | ±1.2 | ±2 | dB | ||||||||||||||
| TCC | 100MHz~6GHz | — | ±1.5 | ±2.2 | ||||||||||||||||
| TXC | 100MHz~12GHz, 1270nm~1370nm | — | ±2.0 | ±2.5 | ||||||||||||||||
| 100MHz~12GHz, 1550nm | — | ±2.0 | ±3.0 | |||||||||||||||||
| TYC | 100MHz~16GHz | — | ±2.0 | ±3.0 | ||||||||||||||||
| TUC① | 100MHz~18GHz | — | ±2.5 | ±3 | ||||||||||||||||
| TUC② | 500MHz~18GHz | — | ±2.0 | ±3 | ||||||||||||||||
| TKC | 500MHz~21GHz | — | ±2.0 | ±3 | ||||||||||||||||
| RF 回波损耗 | TSC | 100MHz~3GHz | — | -15 | -10 | dB | ||||||||||||||
| TCC | 100MHz~6GHz | — | -10 | -7 | ||||||||||||||||
| TXC | 100MHz~12GHz | — | -10 | -5 | ||||||||||||||||
| TYC | 100MHz~16GHz | — | -10 | -5 | ||||||||||||||||
| TUC① | 100MHz~18GHz | — | -10 | -4 | ||||||||||||||||
| TUC② | 500MHz~18GHz | — | -10 | -4 | ||||||||||||||||
| TKC | 500MHz~21GHz | — | -10 | -3 | ||||||||||||||||
| 项目 | 测试条件 | 最小 | 典型 | 最大 | 单位 | |||||||||||||||
| 增益 (1) | 全温范围 | -30 | -26 | — | dB | |||||||||||||||
| 输入 P-1dB | 1GHz | — | 18 | — | dBm | |||||||||||||||
| 无杂散动态范围 SFDR (1) | TSC | 1GHz | 1270nm~1370nm | 111 | 117 | — | dB·Hz2/3 | |||||||||||||
| 1530nm/1550nm | 111 | 117 | — | |||||||||||||||||
| 2GHz | 1270nm~1370nm | 109 | 115 | — | ||||||||||||||||
| 1530nm/1550nm | 109 | 115 | — | |||||||||||||||||
| 3GHz | 1270nm~1370nm | 107 | 115 | — | ||||||||||||||||
| 1530nm/1550nm | 105 | 113 | — | |||||||||||||||||
| TCC | 1GHz | 1270nm~1370nm | 111 | 117 | — | |||||||||||||||
| 1530nm/1550nm | 111 | 117 | — | |||||||||||||||||
| 3GHz | 1270nm~1370nm | 107 | 115 | — | ||||||||||||||||
| 1530nm/1550nm | 105 | 113 | — | |||||||||||||||||
| 6GHz | 1270nm~1370nm | 104 | 111 | — | ||||||||||||||||
| 1530nm/1550nm | 103 | 110 | — | |||||||||||||||||
| TXC | 1GHz | 111 | 117 | — | ||||||||||||||||
| 6GHz | 104 | 111 | — | |||||||||||||||||
| 12GHz | 99 | 107 | — | |||||||||||||||||
| TYC | 1GHz | 110 | 115 | — | ||||||||||||||||
| 10GHz | 105 | 111 | — | |||||||||||||||||
| 16GHz | 100 | 106 | — | |||||||||||||||||
| TUC① | 1GHz | 110 | 115 | — | ||||||||||||||||
| 10GHz | 105 | 110 | — | |||||||||||||||||
| 18GHz | 100 | 105 | — | |||||||||||||||||
| TUC② | 1GHz | 110 | 115 | — | ||||||||||||||||
| 10GHz | 105 | 110 | — | |||||||||||||||||
| 18GHz | 100 | 105 | — | |||||||||||||||||
| TKC | 1GHz | 110 | 115 | — | ||||||||||||||||
| 10GHz | 105 | 110 | — | |||||||||||||||||
| 21GHz | 97 | 102 | — | |||||||||||||||||
| 输入三阶交调点(1) | TSC | 1GHz | 30 | 34 | — | dBm | ||||||||||||||
| 2GHz | 28 | 33 | — | |||||||||||||||||
| 3GHz | 26 | 33 | — | |||||||||||||||||
| TCC | 1GHz | 30 | 34 | — | ||||||||||||||||
| 3GHz | 26 | 33 | — | |||||||||||||||||
| 6GHz | 25 | 31 | — | |||||||||||||||||
| 输入三阶交调点(1) | TXC | 1GHz | 30 | 34 | — | dBm | ||||||||||||||
| 6GHz | 25 | 31 | — | |||||||||||||||||
| 12GHz | 20 | 28 | — | |||||||||||||||||
| TYC | 1GHz | 28 | 32 | — | ||||||||||||||||
| 10GHz | 25 | 30 | — | |||||||||||||||||
| 16GHz | 22 | 26 | — | |||||||||||||||||
| TUC① | 1GHz | 30 | 34 | — | ||||||||||||||||
| 10GHz | 28 | 32 | — | |||||||||||||||||
| 18GHz | 23 | 27 | — | |||||||||||||||||
| TUC② | 1GHz | 30 | 34 | — | ||||||||||||||||
| 10GHz | 28 | 32 | — | |||||||||||||||||
| 18GHz | 23 | 27 | — | |||||||||||||||||
| TKC | 1GHz | 30 | 34 | — | ||||||||||||||||
| 10GHz | 28 | 32 | — | |||||||||||||||||
| 21GHz | 20 | 24 | — | |||||||||||||||||
| 噪声系数 (1) | TSC | 1GHz | 1270nm~1370nm | — | 33 | 37 | dB | |||||||||||||
| 1530nm/1550nm | — | 33 | 37 | |||||||||||||||||
| 2GHz | 1270nm~1370nm | — | 34 | 38 | ||||||||||||||||
| 1530nm/1550nm | — | 35 | 39 | |||||||||||||||||
| 3GHz | 1270nm~1370nm | — | 35 | 39 | ||||||||||||||||
| 1530nm/1550nm | — | 37 | 42 | |||||||||||||||||
| TCC | 1GHz | 1270nm~1370nm | — | 33 | 37 | |||||||||||||||
| 1530nm/1550nm | — | 33 | 37 | |||||||||||||||||
| 3GHz | 1270nm~1370nm | — | 35 | 39 | ||||||||||||||||
| 1530nm/1550nm | — | 37 | 42 | |||||||||||||||||
| 6GHz | 1270nm~1370nm | — | 39 | 43 | ||||||||||||||||
| 1530nm/1550nm | — | 40 | 45 | |||||||||||||||||
| TXC | 1GHz | — | 33 | 37 | ||||||||||||||||
| 6GHz | — | 39 | 43 | |||||||||||||||||
| 12GHz | — | 41 | 45 | |||||||||||||||||
| TYC | 1GHz | — | 33 | 37 | ||||||||||||||||
| 10GHz | — | 37 | 42 | |||||||||||||||||
| 16GHz | — | 41 | 46 | |||||||||||||||||
| TUC① | 1GHz | — | 35 | 39 | ||||||||||||||||
| 10GHz | — | 41 | 45 | |||||||||||||||||
| 18GHz | — | 43 | 47 | |||||||||||||||||
| 噪声系数 (1) | TUC② | 1GHz | — | 35 | 39 | dB | ||||||||||||||
| 10GHz | — | 41 | 45 | |||||||||||||||||
| 18GHz | — | 43 | 47 | |||||||||||||||||
| TKC | 1GHz | — | 35 | 39 | ||||||||||||||||
| 10GHz | — | 41 | 45 | |||||||||||||||||
| 21GHz | — | 45 | 49 | |||||||||||||||||
| 工作电流 | +5V | — | 45 | 280 | mA | |||||||||||||||
| -5V | — | 75 | 100 | |||||||||||||||||
| 工作电压 | +5V | +4.8 | +5 | +5.2 | VDC | |||||||||||||||
| -5V | -5.2 | -5 | -4.8 | |||||||||||||||||
| 重量 | — | 58 | 59 | g | ||||||||||||||||
说明: (1)把光发和北亿纤通的光收模块的尾纤通过光法兰盘直接相连进行测试。
典型指标(DWDM)
| 项目 | 测试条件 | 最小 | 典型 | 最大 | 单位 | |||||
| 工作频率范围 | TSC | 0.01 ~ 3 | GHz | |||||||
| TCC | 0.01 ~ 6 | |||||||||
| TXC | 0.01 ~ 12 | |||||||||
| 光波长 | λ0 为 ITU C 波长 | 可选 | nm | |||||||
| 波长精度范围 | 全温范围( -55 ~ 70℃) | λ0-0.2 | λ0 | λ0 +0.2 | nm | |||||
| 发射光功率 | +25℃ | — | 9 | — | dBm | |||||
| 增益 (2) | 全温范围 | -30 | -26 | — | dB | |||||
| 带内波动 | TSC | 100MHz~3GHz | — | ±1.5 | ±2 | dB | ||||
| TCC | 100MHz~6GHz | — | ±1.8 | ±2.2 | ||||||
| TXC | 100MHz~12GHz | — | ±2.0 | ±2.5 | ||||||
| RF 回波损耗 | TSC | 100MHz~3GHz | — | -15 | -10 | dB | ||||
| TCC | 100MHz~6GHz | — | -10 | -7 | ||||||
| TXC | 100MHz~12GHz | — | -10 | -5 | ||||||
| 输入 P-1dB | 1GHz | — | 18 | — | dBm | |||||
| 无杂散动态范围 SFDR (2) | TSC | 1GHz | 112 | 118 | — | dB·Hz2/3 | ||||
| 2GHz | 110 | 115 | — | |||||||
| 3GHz | 108 | 113 | — | |||||||
| TCC | 1GHz | 112 | 118 | — | ||||||
| 3GHz | 108 | 113 | — | |||||||
| 6GHz | 99 | 105 | — | |||||||
| 无杂散动态范围 SFDR (2) | TXC | 1GHz | 109 | 115 | — | dB·Hz2/3 | ||||
| 6GHz | 102 | 108 | — | |||||||
| 12GHz | 95 | 101 | — | |||||||
| 输入三阶交调点(2) | TSC | 1GHz | 33 | 38 | — | dBm | ||||
| 2GHz | 31 | 35 | — | |||||||
| 3GHz | 29 | 33 | — | |||||||
| TCC | 1GHz | 33 | 38 | — | ||||||
| 3GHz | 29 | 33 | — | |||||||
| 6GHz | 22 | 27 | — | |||||||
| TXC | 1GHz | 28 | 33 | — | ||||||
| 6GHz | 24 | 29 | — | |||||||
| 12GHz | 20 | 25 | — | |||||||
| 噪声系数(2) | TSC | 1GHz | — | 35 | 39 | dB | ||||
| 2GHz | — | 36 | 40 | |||||||
| 3GHz | — | 37 | 41 | |||||||
| TCC | 1GHz | — | 35 | 39 | ||||||
| 3GHz | — | 37 | 41 | |||||||
| 6GHz | — | 43 | 47 | |||||||
| TXC | 1GHz | — | 34 | 38 | ||||||
| 6GHz | — | 41 | 45 | |||||||
| 12GHz | — | 47 | 51 | |||||||
| 工作电流 | +5V | — | 45 | 280 | mA | |||||
| -5V | — | 65 | 100 | |||||||
| 工作电压 | +5V | +4.8 | +5 | +5.2 | VDC | |||||
| -5V | -5.2 | -5 | -4.8 | |||||||
| 重量 | — | 58 | 59 | g | ||||||
说明: (2)把光发和北亿纤通的光收模块的尾纤通过光法兰盘直接相连进行测试。
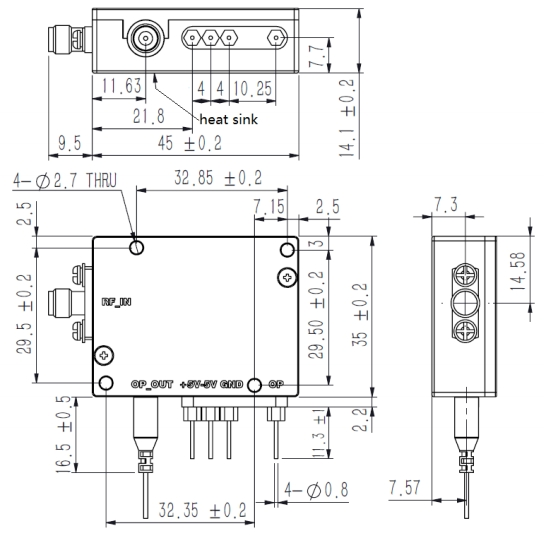
机械结构(单位:mm)

说明:模块的安装孔是非对称的,是从底部散热的。请用 M2.5 的螺钉安装,具体的螺钉长度请根据使用条件决定。
订购信息
| FT-79-OM | – | T | x | C | xxx | N | F | – | O | x | 00 |
| 工作频率(4) S:3GHzC:6GHzX:12GHz | 发射波长127:1270nm 129:1290nm…137:1370nm153:1530nm155:1550nmxxC:ITU C 波段 xx 表示波长代码 , 具体见下表 | 光接口和光纤F:FC/APC普通单模光纤 | 工作温度范围(5) W:-40 ~ 70℃ X:-40 ~ 85℃ P:-55 ~ 70℃ | 特殊定义00:10MHz 起始 |
说明:
(4)更低的起始频率,如 9kHz,可以定制。
(5) 12GHz 系列的光波长暂不包括 1530nm; DWDM系列模块的工作温度范围不包括-40 ~ 85℃;如有其他需求,可以联系我们定制。
| FT-79-OM | – | T | x | C | xxx | N | F | – | O | x | 0x |
| 工作频率(6) Y:16GHz U:18GHz K:21GHz | 发射波长(7)127:1270nm 129:1290nm…137:1370nm 155:1550nm | 光接口和光纤F:FC/APC普通 单模光纤 | 工作温度范围W:-40 ~ 70℃ X:-40 ~ 85℃ P:-55 ~ 70℃ | 特殊定义00:100MHz 起始01:500MHz 起始 |
说明:
(6)更低的起始频率,如 9kHz,可以定制。
(7)21GHz 系列的光波长暂不包括 1350nm/1370nm/1550nm;如有其他需求,可以联系我们定制。
ITU C波段波长代码 xx 列表如下:
| xx | 频率(THz) | 中心波长(nm) | xx | 频率(THz) | 中心波长(nm) |
| 17 | 191.7 | 1563.86 | 30 | 193.0 | 1553.33 |
| 18 | 191.8 | 1563.05 | 31 | 193.1 | 1552.52 |
| 19 | 191.9 | 1562.23 | 32 | 193.2 | 1551.72 |
| 20 | 192.0 | 1561.42 | 33 | 193.3 | 1550.92 |
| 21 | 192.1 | 1560.61 | 34 | 193.4 | 1550.12 |
| 22 | 192.2 | 1559.79 | 35 | 193.5 | 1549.32 |
| 23 | 192.3 | 1558.98 | 36 | 193.6 | 1548.51 |
| 24 | 192.4 | 1558.17 | 37 | 193.7 | 1547.72 |
| 25 | 192.5 | 1557.36 | 38 | 193.8 | 1546.92 |
| 26 | 192.6 | 1556.55 | 39 | 193.9 | 1546.12 |
| 27 | 192.7 | 1555.75 | 40 | 194.0 | 1545.32 |
| 28 | 192.8 | 1554.94 | 41 | 194.1 | 1544.53 |
| 29 | 192.9 | 1554.13 | 42 | 194.2 | 1543.73 |
| xx | 频率(THz) | 中心波长(nm) | xx | 频率(THz) | 中心波长(nm) |
| 43 | 194.3 | 1542.94 | 53 | 195.3 | 1535.04 |
| 44 | 194.4 | 1542.14 | 54 | 195.4 | 1534.25 |
| 45 | 194.5 | 1541.35 | 55 | 195.5 | 1533.47 |
| 46 | 194.6 | 1540.56 | 56 | 195.6 | 1532.68 |
| 47 | 194.7 | 1539.77 | 57 | 195.7 | 1531.90 |
| 48 | 194.8 | 1538.98 | 58 | 195.8 | 1531.12 |
| 49 | 194.9 | 1538.19 | 59 | 195.9 | 1530.33 |
| 50 | 195.0 | 1537.40 | 60 | 196.0 | 1529.55 |
| 51 | 195.1 | 1536.61 | 61 | 196.1 | 1528.77 |
| 52 | 195.2 | 1535.82 |
北亿纤通 | F-tone Networks
企业邮箱:sales@f-tone.com
企业手机:19081343401
企业电话:028-85255257
企业传真:028-85977702
注:本产品有全国产化型号可选
本产品为FT-79系列,仅展示部分参数,如有需要,请联系我们。
Important Notice
Performance figures, data and any illustrative material provided in this data sheet are typical and must be specifically confirmed in writing by F-tone Networks before they become applicable to any particular order or contract. In accordance with the F-tone Networks policy of continuous improvement specifications may change without notice.
The publication of information in this data sheet does not imply freedom from patent or other protective rights of F-tone Networks or others. rther details are available from any F-tone Networks sales representative.

光学性能测试
测试光纤收发模块的眼图情况、接收灵敏度、消光比、波长、发光、光接收、电流和电压,以确保信号质量、传输的稳定性和可靠性。
Traffic Testing
测试误码率和丢包率,使其符合相应标准,确保收发器的性能。


光学性能测试
测试光纤收发模块的眼图情况、接收灵敏度、消光比、波长、发光、光接收、电流和电压,以确保信号质量、传输的稳定性和可靠性。
端面测试
检查光纤收发模块的端面并保持清洁,以实现更稳定的数据传输、更好的性能和耐用性。


兼容品牌:
华为 | 华三 | 中兴 | 锐捷 | Cisco | Juniper | Arista | Brocade |HPE ProCurve | HPE Aruba | HPE BladeSystem | HPE H3C | H3C | Dell | Extreme | HW | Generic | F-tone | Intel | Netgear | IBM | NVIDIA/Mellanox (Ethernet) | Ciena | Fortinet | Avago | Avaya | Alcatel-Lucent | D-Link | F5 | Ubiquiti | Mikrotik |Broadcom…..







