
产品应用
● 高密度高速光互连
● 雷达与处理机互联
● 甚短距离的高速数据通信
● 服务器与存储器阵列互联
产品特点
● 3.3V直流供电,低功耗
● 独立的通道失效监控
● 紧凑的结构设计,高密度高容量
● 12芯MT/MPO尾纤光接口
● 电接口为BGA 9×9标准连接器
● 高速数据差分信号I/O口兼容,CML/LVDS/PECL电平
● 带有I2C通信监控功能
● 50UM多模光纤
● 并行光纤通道
● 850NM VCSEL/PD阵列技术
● 工作温度:工业级:-40°C~+85°C 扩展工业级:-55°C~+85°C
主要技术参数

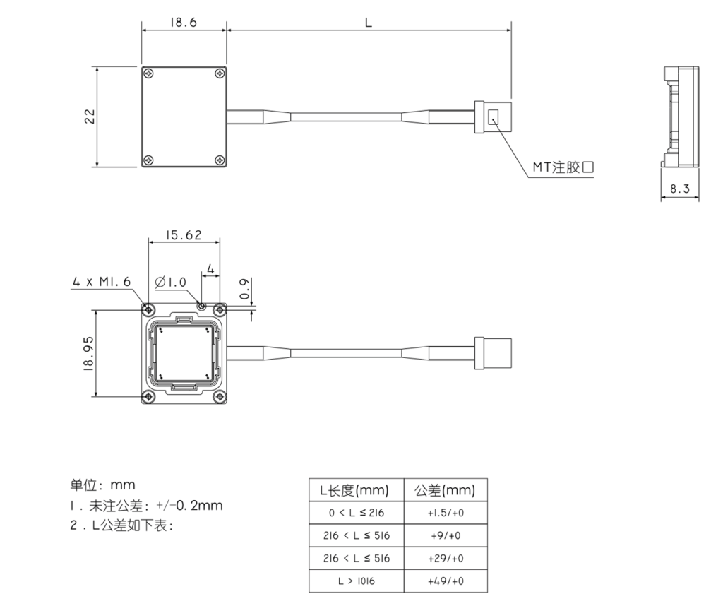
封装尺寸

北亿纤通 | F-tone Networks
企业邮箱:sales@f-tone.com
企业手机:19081343401
企业电话:028-85255257
企业传真:028-85977702
注:本产品有全国产化型号可选
本产品为FT-89系列,仅展示部分参数,如有需要,请联系我们。
Important Notice
Performance figures, data and any illustrative material provided in this data sheet are typical and must be specifically confirmed in writing by F-tone Networks before they become applicable to any particular order or contract. In accordance with the F-tone Networks policy of continuous improvement specifications may change without notice.
The publication of information in this data sheet does not imply freedom from patent or other protective rights of F-tone Networks or others. Further details are available from any F-tone Networks sales representative.

光学性能测试
测试光纤收发模块的眼图情况、接收灵敏度、消光比、波长、发光、光接收、电流和电压,以确保信号质量、传输的稳定性和可靠性。
Traffic Testing
测试误码率和丢包率,使其符合相应标准,确保收发器的性能。


光学性能测试
测试光纤收发模块的眼图情况、接收灵敏度、消光比、波长、发光、光接收、电流和电压,以确保信号质量、传输的稳定性和可靠性。
端面测试
检查光纤收发模块的端面并保持清洁,以实现更稳定的数据传输、更好的性能和耐用性。


兼容品牌:
华为 | 华三 | 中兴 | 锐捷 | Cisco | Juniper | Arista | Brocade |HPE ProCurve | HPE Aruba | HPE BladeSystem | HPE H3C | H3C | Dell | Extreme | HW | Generic | F-tone | Intel | Netgear | IBM | NVIDIA/Mellanox (Ethernet) | Ciena | Fortinet | Avago | Avaya | Alcatel-Lucent | D-Link | F5 | Ubiquiti | Mikrotik |Broadcom…..

