
产品描述
HT114A型光电耦合器是采用CSOP封装的单通道OC门输出型光耦,传输速率达到1Mb/s。执行GJB 8120-2013《半导体光电模块通用规范》,可供选择的质量等级为GM1、GM2、GM3,JP.


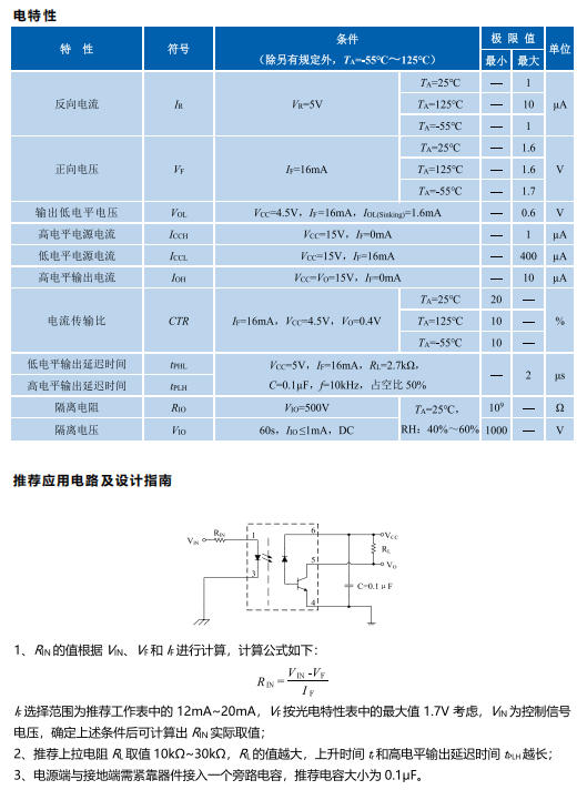
本产品为FT-Y3系列,仅展示部分参数,如有需要,请联系我们。
北亿纤通 | F-tone Networks
企业邮箱:sales@f-tone.com
企业手机:19081343401
企业电话:028-85255257
企业传真:028-85977702
Important Notice
Performance figures, data and any illustrative material provided in this data sheet are typical and must be specifically confirmed in writing by F-tone Networks before they become applicable to any particular order or contract. In accordance with the F-tone Networks policy of continuous improvement specifications may change without notice.
The publication of information in this data sheet does not imply freedom from patent or other protective rights of F-tone Networks or others. Further details are available from any F-tone Networks sales representative.