USOT双纤双向光模块,6.25G,850nm,300m,LC

产品应用
● 以太网、SONET/SDH、交换机等数字光纤通信系统
● 高可靠高数据率点对点光纤通信
● 数字雷达阵列
● 光背板传输

产品特点
● 速率3.125~10Gbps,850nmVCSEL/1310nm DFB激光器
● 标准双LC光接口
● I2PIN排针电接口
● 3.3V单电源供电
● 紧凑的结构设计
● 抗振动设计
● 适应于高速信号完整性的表贴I/O引脚
● 支持I2C通信
● 工作温度:工业级:-40°C~+85°C 扩展工业级:-55℃C~+85°C

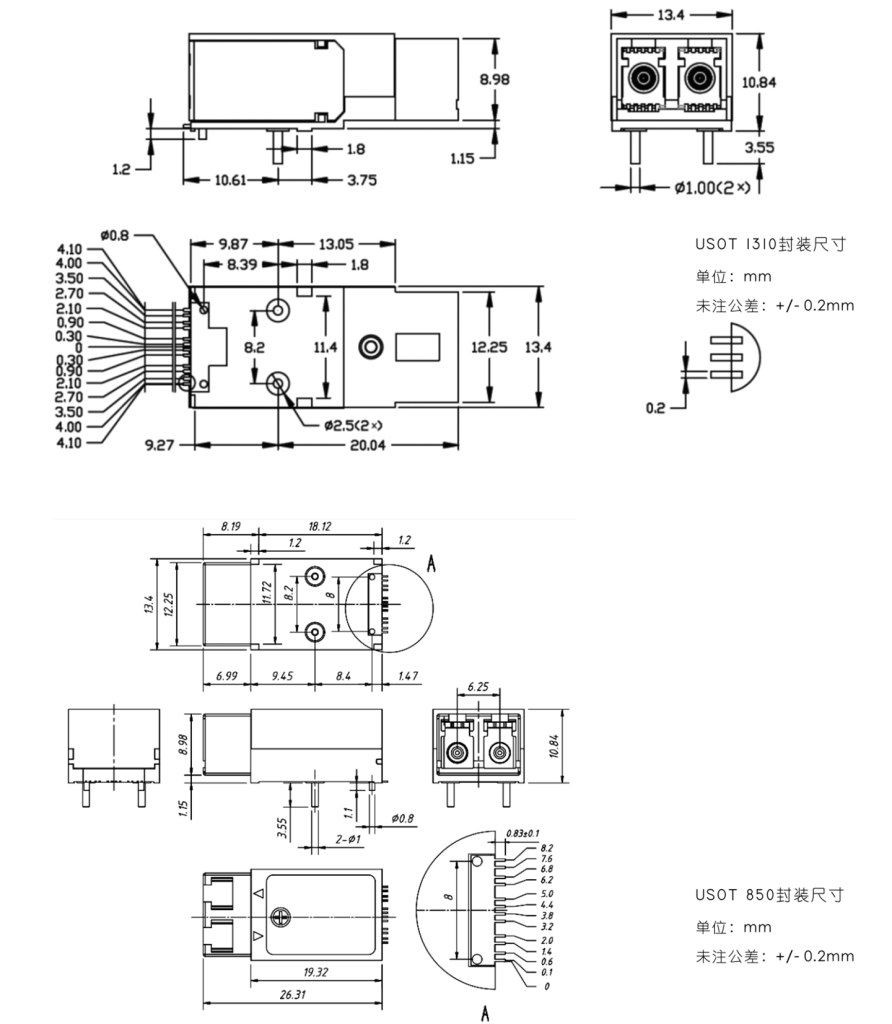
主要技术参数

封装尺寸

北亿纤通 | F-tone Networks
企业邮箱:sales@f-tone.com
企业手机:19081343401
企业电话:028-85255257
企业传真:028-85977702

注:本产品有全国产化型号可选
本产品为FT-89系列,仅展示部分参数,如有需要,请联系我们。

Important Notice

Performance figures, data and any illustrative material provided in this data sheet are typical and must be specifically confirmed in writing by F-tone Networks before they become applicable to any particular order or contract. In accordance with the F-tone Networks policy of continuous improvement specifications may change without notice.

The publication of information in this data sheet does not imply freedom from patent or other protective rights of F-tone Networks or others. Further details are available from any F-tone Networks sales representative.

光学性能测试

测试光纤收发模块的眼图情况、接收灵敏度、消光比、波长、发光、光接收、电流和电压,以确保信号质量、传输的稳定性和可靠性。

Traffic Testing

测试误码率和丢包率,使其符合相应标准,确保收发器的性能。

光学性能测试

测试光纤收发模块的眼图情况、接收灵敏度、消光比、波长、发光、光接收、电流和电压,以确保信号质量、传输的稳定性和可靠性。

端面测试

检查光纤收发模块的端面并保持清洁,以实现更稳定的数据传输、更好的性能和耐用性。

兼容品牌:

华为 | 华三 | 中兴 | 锐捷 | Cisco | Juniper | Arista | Brocade |HPE ProCurve | HPE Aruba | HPE BladeSystem | HPE H3C | H3C | Dell | Extreme | HW | Generic | F-tone | Intel | Netgear | IBM | NVIDIA/Mellanox (Ethernet) | Ciena | Fortinet | Avago | Avaya | Alcatel-Lucent | D-Link | F5 | Ubiquiti | Mikrotik |Broadcom…..

滚动至顶部