
Product Features
● Uncooled laser diode with MQW structure
● Reach 10km Transmission Distance
● BIDI Single Mode Transceiver 1×9 Footprint
● SC, FC or ST Optical Interface are Optional
● 3.3V Power Supply compatible
● CML Differential Inputs and Outputs
● LVTTL Signal Detection Output
● Fast Ethernet and ITU G.957 Compliant
● Compliant RoHS and lead free
● Complies with Telcordia GR-468-CORE
● Operating case temperature:
Standard: 0 to +70°C
Extend: -20 to +85°C
Industrial: -40 to +85°C
Product Applications
● SONET/SDH
● Giga Ethernet
● Switches
● Routers
● Hubs Video
Performance Specifications
AbsoluteMaximum Ratings
| Parameter | Symbol | Min | Max | Unit | |
| Storage Temperature | Tst | -40 | +85 | °C | |
| Operating Temperature | TO | BYTR-Bxx24-10 | 0 | +70 | °C |
| BYTR-Bxx24-10E | -20 | +85 | °C | ||
| BYTR-Bxx24-10I | -40 | +85 | °C | ||
| Input Voltage | – | GND | VCC | V | |
| Power Supply Voltage | VCC-VEE | 0 | +6 | V | |
Recommended Operating Conditions
| Parameter | Symbol | Min | Typ | Max | Unit | |
| Storage Temperature | Tst | -40 | – | +85 | °C | |
| Operating Case Temperature | TC | BYTR-Bxx24-10 | 0 | – | +70 | °C |
| BYTR-Bxx24-10E | -20 | – | +85 | °C | ||
| BYTR-Bxx24-10I | -40 | – | +85 | °C | ||
| Power Supply Voltage | VCC | 3.14 | 3.3- | 3.5 | V | |
| Data Rate | DR | 0.1 | 2.5 | 2.7 | Gbps | |
Optical Specification
| Transmitter | |||||||
| Paramet | Symbol | Min | Typ | Max | Unit | Note | |
| Center Wavelength | 1310 FP | λC | 1261 | 1310 | 1360 | nm | BYTR-B1324-10xx |
| 1550 DFB | 1530 | 1550 | 1580 | ||||
| Spectral Width | ∆λ | – | – | 3 | nm | FP | |
| ∆λ | 1 | nm | DFB | ||||
| Average Optical Output Power | Po | -10 | – | -3 | dBm | ||
| Extinction Ratio | Er | 6 | – | – | dBB | – | |
| Output Eye Diagram | Compliant with ITU-T.G957 | ||||||
| Receiver | |||||||
| Paramet | Symbol | Min | Typ | Max | Unit | Note | |
| Operate Wavelength | λC | 1100 | – | 1611 | nm | ||
| Sensitivity | Pr | – | – | -18 | dBm | 1 | |
| Saturation | Ps | 0 | – | – | dBm | 1 | |
| Signal Detect Assert Level | – | -40 | – | – | dBm | Alarm: Low-level | |
| Signal Detect De-assert Level | – | – | – | -20 | dBm | ||
| SD Hysteresis | – | 0.5 | – | 5 | dB | – | |
Note: 1. Minimum Sensitivity and saturation levels for a 223-1 PRBS test pattern @2500Mbps.
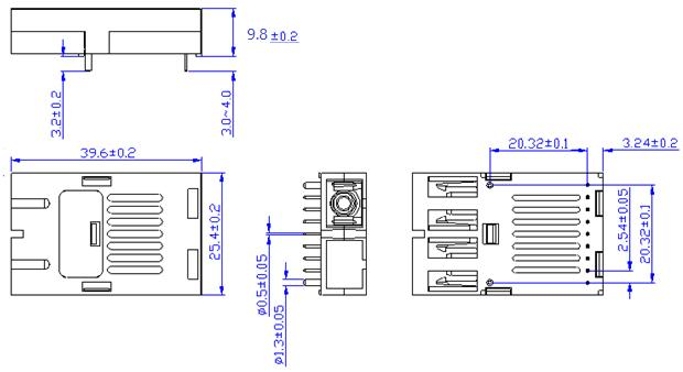
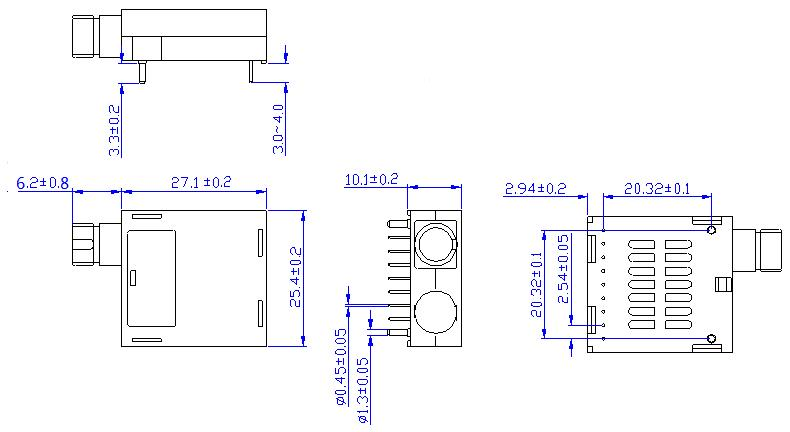
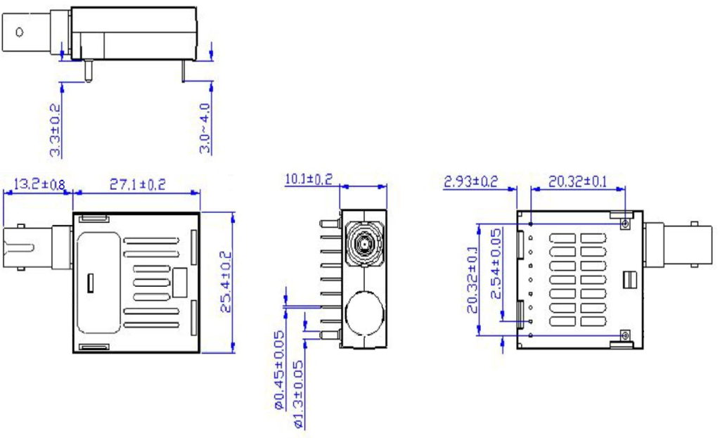
Package Diagram
SC Interface

FC Interface

ST Interface

Order information
| 产品型号 | 封装 | 波长(-xx) | 速率(xx) | 传输距离 (-xx) | x | 等级(x) |
| BYTR-Bxx24-10xx | 1×9 | B13=T1310/R1550 B15=T1550/R1310 | 24=2.5G | 10=10km | 空 不带DDM D 带DDM | 空 商业级 E 扩展级 I 工业级 |
北亿纤通 | F-tone Networks
企业邮箱: sales@f-tone.com
企业手机:19081343401
企业电话:028-85255257
企业传真:028-85977702
注:本产品有全国产化型号可选
Important Notice
Performance figures, data and any illustrative material provided in this data sheet are typical and must be specifically confirmed in writing by F-tone Networks before they become applicable to any particular order or contract. In accordance with the F-tone Networks policy of continuous improvement specifications may change without notice.
The publication of information in this data sheet does not imply freedom from patent or other protective rights of F-tone Networks or others. Further details are available from any F-tone Networks sales representative.om patent or other protective rights of F-tone Networks or others. rther details are available from any F-tone Networks sales representative.s not imply freedom from patent or other protective rights of F-tone Networks or others. rther details are available from any F-tone Networks sales representative.ective rights of F-tone Networks or others. rther details are available from any F-tone Networks sales representative.ts of F-tone Networks or others. rther details are available from any F-tone Networks sales representative.etworks or others. Further details are available from any F-tone Networks sales representative.

光学性能测试
测试光纤收发模块的眼图情况、接收灵敏度、消光比、波长、发光、光接收、电流和电压,以确保信号质量、传输的稳定性和可靠性。
Traffic Testing
测试误码率和丢包率,使其符合相应标准,确保收发器的性能。


光学性能测试
测试光纤收发模块的眼图情况、接收灵敏度、消光比、波长、发光、光接收、电流和电压,以确保信号质量、传输的稳定性和可靠性。
端面测试
检查光纤收发模块的端面并保持清洁,以实现更稳定的数据传输、更好的性能和耐用性。


兼容品牌:
华为 | 华三 | 中兴 | 锐捷 | Cisco | Juniper | Arista | Brocade |HPE ProCurve | HPE Aruba | HPE BladeSystem | HPE H3C | H3C | Dell | Extreme | HW | Generic | F-tone | Intel | Netgear | IBM | NVIDIA/Mellanox (Ethernet) | Ciena | Fortinet | Avago | Avaya | Alcatel-Lucent | D-Link | F5 | Ubiquiti | Mikrotik |Broadcom…..





