155M 单模 80km 1×9光模块

Product Features
● Uncooled laser diode with MQW structure
● Reach 80 km Transmission Distance
● Duplex Single Mode Transceiver 1×9 Footprint
● SC, FC or ST Optical Interface are Optional
● Single +3.3V or +5V Power Supply
● PECL/LVPECL Differential Inputs and Outputs
● PECL/LVPECL Signal Detection Output alternative
● Fast Ethernet and ITU G.957 Compliant
● Compliant RoHS and lead free
● Complies with Telcordia GR-468-CORE
● Operating case temperature:
Standard: 0 to +70°C
Extend: -20 to +85°C
Industrial: -40 to +85°C

Product Applications
● ATM
● SONET/SDH
● Fast Ethernet
● Switches
● Routers
● Hubs

Performance Specifications
AbsoluteMaximum Ratings

ParameterSymbolMinMaxUnit
Storage TemperatureTst-40+85°C
Operating TemperatureTOBYTR-xx03-800+70°C
BYTR-xx03-80E-20+85°C
BYTR-xx03-80I-40+85°C
Input VoltageGNDVCCV
Power Supply VoltageVCC-VEE0+6V

Recommended Operating Conditions

ParameterSymbolMinTypMaxUnit
Storage TemperatureTst-40+85°C
Operating Case TemperatureTCBYTR-xx03-800+70°C
BYTR-xx03-80E-20+85°C
BYTR-xx03-80I-40+85°C
Power Supply VoltageVCC3.33.13.33.5V
Power Supply VoltageVCC5v4.755v5.25V
Data RateDR155200-Mbps

Optical Specification

Transmitter
ParameterSymbolMinTypMaxUnitNote
Center Wavelength1310 FPlC126113101360nmBYTR-1303-80xx
1550 FP150015501600BYTR-1503-80xx
Spectral WidthDl4nm
Average Optical Output PowerPo05dBm
Extinction RatioExt10dB
Optical Rise Time(20%-80%)Tr3ns
Optical Fall Time(20%-80%)Tf3ns
Output Eye DiagramCompliant with ITU-T.G957
Receiver
ParameterSymbolMinTypMaxUnitNote
Operate Wavelength12611620nm
SensitivityPr-37dBm1
SaturationPs-3dBm1
Signal Detect Assert Level-45dBmAlarm : Low-level
Signal Detect De-assert Level-37dBm
SD Hysteresis0.55dB

Note: 1. Minimum Sensitivity and saturation levels for a 223-1 PRBS test pattern @155Mbps.

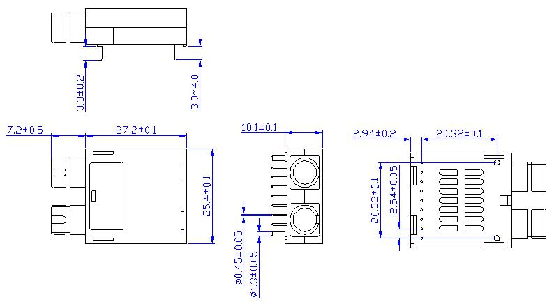
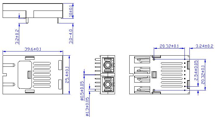
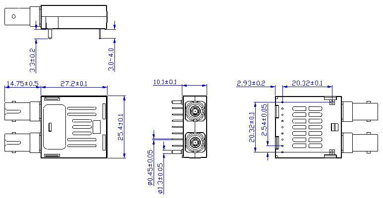
Package Diagram
SC Interface

FC Interface

ST Interface

Order information

产品型号封装波长(-xx)速率(xx)传输距离 (-xx)x等级(x)
BYTR-xx03-80xx1×913=1310nm 
15=1550nm
03=155M20=20KM 
40=40KM
80=80KM
空 不带DDM 
D 带 DDM
空 商业级 
E 扩展级 
I 工业级
可选配参数
M3.3V-Data:LVPECL(直流耦合)-SD:LVPECL-SC 接头
N3.3V-Data:LVPECL(直流耦合)-SD:LVPECL-FC 接头
O3.3V-Data:LVPECL(直流耦合)-SD:LVPECL-ST 接头
S5V-Data:PECL(直流耦合)-SD:PECL-SC 接头
T5V-Data:PECL(直流耦合)-SD:PECL-FC 接头
U5V-Data:PECL(直流耦合)-SD:PECL-ST 接头

北亿纤通 | F-tone Networks

企业邮箱: sales@f-tone.com
企业手机:19081343401
企业电话:028-85255257
企业传真:028-85977702

注:本产品有全国产化型号可选

Important Notice

Performance figures, data and any illustrative material provided in this data sheet are typical and must be specifically confirmed in writing by F-tone Networks before they become applicable to any particular order or contract. In accordance with the F-tone Networks policy of continuous improvement specifications may change without notice.

The publication of information in this data sheet does not imply freedom from patent or other protective rights of F-tone Networks or others. Further details are available from any F-tone Networks sales representative.rights of F-tone Networks or others. rther details are available from any F-tone Networks sales representative.resentative.ne Networks or others. rther details are available from any F-tone Networks sales representative. Networks sales representative.tative.F-tone Networks sales representative.or other protective rights of F-tone Networks or others. Further details are available from any F-tone Networks sales representative.

光学性能测试

测试光纤收发模块的眼图情况、接收灵敏度、消光比、波长、发光、光接收、电流和电压,以确保信号质量、传输的稳定性和可靠性。

Traffic Testing

测试误码率和丢包率,使其符合相应标准,确保收发器的性能。

光学性能测试

测试光纤收发模块的眼图情况、接收灵敏度、消光比、波长、发光、光接收、电流和电压,以确保信号质量、传输的稳定性和可靠性。

端面测试

检查光纤收发模块的端面并保持清洁,以实现更稳定的数据传输、更好的性能和耐用性。

兼容品牌:

华为 | 华三 | 中兴 | 锐捷 | Cisco | Juniper | Arista | Brocade |HPE ProCurve | HPE Aruba | HPE BladeSystem | HPE H3C | H3C | Dell | Extreme | HW | Generic | F-tone | Intel | Netgear | IBM | NVIDIA/Mellanox (Ethernet) | Ciena | Fortinet | Avago | Avaya | Alcatel-Lucent | D-Link | F5 | Ubiquiti | Mikrotik |Broadcom…..

滚动至顶部