
Product Description
F-tone Networks’s FTAF-xxxL2-xxxx series of transceiver modules are the perfect solution for ultra-low speed communication networks.These transceiver modules support data rates up to 10Mbps. The module is fully compliant with the 2X5 standard package defined by the Small Form Factor Multi-Sourcing Agreement (MSA).These transceiver modules provides the system designer with products to RS232/RS485/RS422 fiber transmission.
Product Features
● VCSEL/FP Laser Diode Transmitter
● Up to 2Km on 62.5/125μm MMF,Up to 20 Km on 9/125μm SMF
● 3.3Vpower supply
● LC duplex optical interface
● LVTTL Input/ Output and LVTTL signal detect
● Class 1 Laser International Safety Standard IEC 825 Compliant
● Operating case temperature range (Standard:0 to +70℃) or (Industrial: -40°C to +85°C)
Application
● RS232/RS485/RS422 receptacle fiber transmission
● Other optic link
Absolute Maximum Ratings
Operating of the transceiver beyond the Absolute Conditions Listed in Table 1 will degrade or damage the product. It’s not implied that the product would function above the recommended operating environment, it’s possible to reduce the reliability and lifetime of device if Recommended Operating Environment is exceeded (Refer to table 2)
Table 1–– Absolute Maximum Conditions
| Parameter | Symbol | Min | Max | Units | Note |
| Storage Temperature | TST | -40 | +85 | ℃ | – |
| Relative Humidity | RH | 5 | 95 | % | – |
| Supply Voltage | VCC | 0 | +3.6 | V | – |
Table 2–– Recommended Operating Environment and Electrical Characteristics
| Parameter | Symbol | Min | Typ | Max | Units | Note |
| Supply Voltage | VCC | +3.1 | +3.3 | +3.5 | V | – |
| Supply Current | Icc | – | – | 160 | mA | – |
| Operating Case Temperature | TOP | 0 | – | +70 | ℃ | 1 |
| -40 | – | +85 | 2 | |||
| Data Rate | B | DC | – | 10 | Mbps | – |
| Soldering temperature | – | – | – | 350 | ℃ | 3 |
| Soldering duration | – | – | – | 10 | Sec | 3 |
Note
1.standard level
2.industrial level
3.Not recommended wave soldering.
Optical Parameters
Table 3–– FTAF-85L2-02xx Transceiver Optical Characteristics(Ambient Operating Temperature Ta=+25±5°C, VCC = 3.3±0.2V)
| Parameter | Symbol | Min | Typ | Max | Units | Note | |
| Transmitter | |||||||
| Data rate | B | DC | – | 10 | Mbps | – | |
| Output Center Wavelength | λc | 830 | 850 | 860 | nm | – | |
| Output Spectral width (RMS) | λ | – | – | 0.85 | nm | – | |
| Average Optical Output Power | Po | -8 | – | 0 | dBm | 1,2 | |
| Extinction Ratio | ER | 10 | – | – | dB | 1,2 | |
| Receiver | |||||||
| Receiver Sensitivity | Pmin | – | – | -14 | dBm | 1,2 | |
| Receiver Saturation | Pmax | -3 | – | – | dBm | 1,2 | |
| Operation Center Wavelength | λc | 770 | – | 860 | nm | – | |
| SD | Deassert | PD | -30 | – | – | dBm | 1,2 |
| Assert | PA | – | – | -14 | dBm | 1,2 | |
| SD Hysteresis | SDHYS | 0.5 | – | – | dB | – | |
Note1:The optical power is launched into 62.5/125μm MMF.
Note2:With 10Mbps. If keep 0 1 level duty ratio of 45%:55%, sensitivity control as ≤- 12dBm.
Table 4—– FTAF-M13L2-02xx Transceiver Optical Characteristics
(Ambient Operating Temperature Ta=+25±5°C, VCC = 3.3±0.2V)
| Parameter | Symbol | Min | Typ | Max | Units | Note | |
| Transmitter | |||||||
| Data rate | B | DC | – | 10 | Mbps | – | |
| Output Center Wavelength | λc | 1260 | 1310 | 1360 | nm | – | |
| Output Spectral width (RMS) | λ | – | – | 4 | nm | – | |
| Average Optical Output Power | Po | -10 | – | -3 | dBm | 1,2 | |
| Extinction Ratio | ER | 10 | – | – | dB | 1,2 | |
| Receiver | |||||||
| Receiver Sensitivity | Pmin | – | – | -15 | dBm | 1,2 | |
| Receiver Saturation | Pmax | -3 | – | – | dBm | 1,2 | |
| Operation Center Wavelength | λc | 1260 | – | 1620 | nm | – | |
| SD | Deassert | PD | -30 | – | – | dBm | 1,2 |
| Assert | PA | – | – | -15 | dBm | 1,2 | |
| SD Hysteresis | SDHYS | 0.5 | – | – | dB | – | |
Note1:The optical power is launched into 62.5/125μm MMF.
Note2:With 10Mbps. If keep 0 1 level duty ratio of 45%:55%, sensitivity control as ≤- 14dBm.
Table 5—– FTAF-13L2-20xx Transceiver Optical Characteristics
(Ambient Operating Temperature Ta=+25±5°C, VCC = 3.3±0.2V)
| Parameter | Symbol | Min | Typ | Max | Units | Note | |
| Transmitter | |||||||
| Data rate | B | DC | – | 10 | Mbps | – | |
| Output Center Wavelength | λc | 1260 | 1310 | 1360 | nm | – | |
| Output Spectral width (RMS) | λ | – | – | 4 | nm | – | |
| Average Optical Output Power | Po | -10 | – | -3 | dBm | 1,2 | |
| Extinction Ratio | ER | 10 | – | – | dB | 1,2 | |
| Receiver | |||||||
| Receiver Sensitivity | Pmin | – | – | -15 | dBm | 1,2 | |
| Receiver Saturation | Pmax | -3 | – | – | dBm | 1,2 | |
| Operation Center Wavelength | λc | 1260 | – | 1620 | nm | – | |
| SD | Deassert | PD | -30 | – | – | dBm | 1,2 |
| Assert | PA | – | – | -15 | dBm | 1,2 | |
| SD Hysteresis | SDHYS | 0.5 | – | – | dB | – | |
Note1:The optical power is launched into 9/125μm SMF.
Note2:With 10Mbps. If keep 0 1 level duty ratio of 45%:55%, sensitivity control as ≤- 14dBm.
Electrical Parameters
Table 6—– Transceiver Electrical Characteristics (Ambient Operating Temperature Ta=+25±5°C, VCC = 3.3±0.2V)
| Parameter | Symbol | Min | Typ | Max | Units | Note | |
| Supply Voltage | 3.3V power | VCC | +3.1 | +3.3 | +3.5 | V | – |
| Supply Current | ICC | – | – | 160 | mA | – | |
| Transmitter | |||||||
| Data Input Voltage – Low | VIL | 0 | – | 0.8 | V | 1 | |
| Data Input Voltage – High | VIH | 2 | – | VCC | V | 1 | |
| Receiver | |||||||
| Data Output Voltage – Low | VOL | 0 | – | 0.4 | V | 1 | |
| Data Output Voltage – High | VOH | 2.4 | – | VCC | V | 1 | |
| SD Output Voltage-Low | VOL | 0 | – | 0.8 | V | 1 | |
| SD Output Voltage-High | VOH | 2 | – | VCC | V | 1 | |
Note1:(LV)TTL signal detect
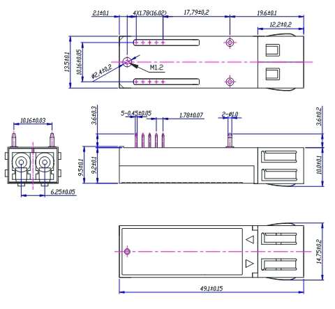
Module Outline Drawing(Units in mm)

Order Information
| 产品型号 | 基本参数 |
| FTAF-85L2-02 | SFF2x5光模块-MM850-0~10M-1KM-商业级 |
| FTAF-M13L2-02 | SFF2x5光模块-MM1310-0~10M-2KM-商业级 |
| FTAF-13L2-20 | SFF2x5光模块-SM1310-0~10M-20KM-商业级 |
| FTAF-85L2-02I | SFF2x5光模块-MM850-0~10M-1KM-工业级 |
| FTAF-M13L2-02I | SFF2x5光模块-MM1310-0~10M-2KM-工业级 |
| FTAF-13L2-20I | SFF2x5光模块-SM1310-0~10M-20KM-工业级 |
北亿纤通 | F-tone Networks
企业邮箱:sales@f-tone.com
企业手机:19081343401
企业电话:028-85255257
企业传真:028-85977702
注:本产品有全国产化型号可选
Important Notice
Performance figures, data and any illustrative material provided in this data sheet are typical and must be specifically confirmed in writing by F-tone Networks before they become applicable to any particular order or contract. In accordance with the F-tone Networks policy of continuous improvement specifications may change without notice.
The publication of information in this data sheet does not imply freedom from patent or other protective rights of F-tone Networks or others. rther details are available from any F-tone Networks sales representative.

光学性能测试
测试光纤收发模块的眼图情况、接收灵敏度、消光比、波长、发光、光接收、电流和电压,以确保信号质量、传输的稳定性和可靠性。
Traffic Testing
测试误码率和丢包率,使其符合相应标准,确保收发器的性能。


光学性能测试
测试光纤收发模块的眼图情况、接收灵敏度、消光比、波长、发光、光接收、电流和电压,以确保信号质量、传输的稳定性和可靠性。
端面测试
检查光纤收发模块的端面并保持清洁,以实现更稳定的数据传输、更好的性能和耐用性。


兼容品牌:
华为 | 华三 | 中兴 | 锐捷 | Cisco | Juniper | Arista | Brocade |HPE ProCurve | HPE Aruba | HPE BladeSystem | HPE H3C | H3C | Dell | Extreme | HW | Generic | F-tone | Intel | Netgear | IBM | NVIDIA/Mellanox (Ethernet) | Ciena | Fortinet | Avago | Avaya | Alcatel-Lucent | D-Link | F5 | Ubiquiti | Mikrotik |Broadcom…..





