
产品描述
F-tone的FTAF-M1303-02I-GC系列收发器模块是低速通信网络的完美解决方案。该模块完全符合小型化多源协议(MSA)定义的2 X5标准包。这些收发器模块为系统设计者提供了实现一系列 SONET/OC-3、 SDH/STM-1的电信产品。
产品特点
● FP激光二极管发射器
● 3. 3V电源
● LC双工光接口
● CML差分输入/输出和(LV)TTL信号检测
● 符合IEC 825国际激光器安全标准第1类
● 工作环境温度范围(标准: 0至+70℃) 或 (工业: -40°C至+85°C)
应用
● ATM 155Mbps
● SONET/SDH
● 100Mbps以太网设备
● 其他光学链路
绝对最大额定值
超出表1中列出的绝对条件操作收发器将降低或损坏产品。这并不意味着产品可以在推荐的操作环境之 外工作,如果超出推荐的操作环境(参见表2) ,可能会降低设备的可靠性和寿命。
表1-绝对最大值条件
| 参数 | 符号 | 最小值 | 最大值 | 单位 | 注释 |
| 储存温度 | TST | -40 | +85 | ℃ | – |
| 相对湿度 | RH | 5 | 95 | % | – |
| 电源电压 | VCC | 0 | +3.6 | V | – |
表2-推荐的操作环境和电气特性
| 参数 | 符号 | 最小值 | 典型值 | 最大值 | 单位 | 注释 |
| 电源电压 | VCC | +3.1 | +3.3 | +3.5 | V | – |
| 供电电流 | Icc | – | – | 260 | mA | – |
| 工作环境温度 | TOP | 0 | – | +70 | ℃ | 1 |
| -40 | – | +85 | 2 | |||
| 数据速率 | B | 155 | Mbps | – | ||
| 焊接温度 | – | – | 260 | ℃ | 3 | |
| 焊接持续时间 | – | – | 10 | Sec | 3 |
注
1:标准水平
2.工业水平
3、不推荐波峰焊。
光学参数
表3-FTAF-M1303-02XX收发器光学特性
(环境工作温度Ta=+25±5°C ,VCC = 3.3±0 .2V)
| 参数 | 符号 | 最小值 | 典型值 | 最大值 | 单位 | 注释 | |
| 发射端 | |||||||
| 数据速率 | B | 155 | Mbps | – | |||
| 输出中心波长 | λC | 1260 | 1310 | 1360 | nm | – | |
| 输出光谱宽度(RMS) | λ | – | 4.0 | nm | – | ||
| 平均光输出功率 | Po | -20 | – | -10 | dBm | 1,2 | |
| 消光比 | ER | 10 | – | – | dB | – | |
| 光学输出眼图:符合ITU-T G.957标准 | 1,2 | ||||||
| 接收端 | |||||||
| 接收器灵敏度 | S | – | – | -32 | dBm | 1,2 | |
| 最大输入功率 | PMAX | -3 | – | – | dBm | 1,2 | |
| 操作中心波长 | λc | 1310 | nm | – | |||
| 信号检测 | 告警 | PD | -40 | – | – | dBm | 1,2 |
| 解告警 | PA | – | – | -32 | dBm | 1,2 | |
| 信号检测-迟滞 | PHYS | 0.5 | – | – | dB | – | |
注1:光功率被导入到62.5/125微米的MMF中。
注2:使用PRBS 223-1测试模式,速度为155Mbps。
电气参数
表15-收发器电气特性
(环境工作温度Ta=+25±5°C ,V = 3.3±0 .2V)
| 参数 | 符号 | 最小值 | 典型值 | 最大值 | 单位 | 注释 |
| 电源电压 | VCC | +3.1 | +3.3 | +3.5 | V | – |
| 供电电流 | ICC | – | – | 260 | mA | – |
| 发射端 | ||||||
| 差分输入电压 | Vin | 200 | – | 2000 | mVP-P | – |
| 输入差分阻抗 | Zin | 90 | 100 | 110 | Ω | – |
| 数据输入电压-低 | VIL | VCC -1.81 | – | VCC -1.48 | V | – |
| 数据输入电压-高 | VIH | VCC -1.17 | – | VCC -0.88 | V | – |
| 接收端 | ||||||
| 差分输出电压 | VOUT | 400 | – | 1000 | mVP-P | – |
| 数据输出电压-低 | VOL | VCC -1.83 | – | VCC -1.56 | V | – |
| 数据输出电压-高 | VOH | VCC -1.09 | – | VCC -0.88 | V | – |
| SD输出电压-低 | VOL | 0 | – | 0.8 | V | 1 |
表16—引脚功能定义
| Pin | 名称 | 描述 | 注释 |
| 1 | VEER | 接收器地面 | – |
| 2 | VCCR | 接收器电源 | – |
| 3 | SD | 信号检测(LV)TTL输出 | 1 |
| 4 | RD- | 输入。接收数据输出 | – |
| 5 | RD+ | 接收数据输出 | – |
| 6 | VCCT | 发送器电源 | – |
| 7 | VEET | 发射机接地 | – |
| 8 | TDIS | 发射器禁用 | 2 |
| 9 | TD+ | 传输数据输入正 | – |
| 10 | TD- | 传输数据输入负 | – |
注1:( LV)TTL-接收器的正常光输入电平导致逻辑“0”输出,上拉10kΩ电阻。
注2:此输入用于关闭发射器的光学输出。当逻辑值为“0”时,发射器开启。
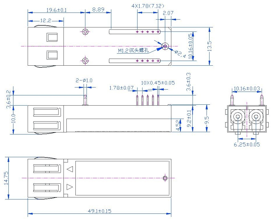
模块结构图

北亿纤通 | F-tone Networks
企业邮箱:sales@f-tone.com
企业手机:19081343401
企业电话:028-85255257
企业传真:028-85977702
注:本产品有全国产化型号可选
本产品为FT-VW系列SFF光模块,仅展示部分参数,如有需要,请联系我们。
Important Notice
Performance figures, data and any illustrative material provided in this data sheet are typical and must be specifically confirmed in writing by F-tone Networks before they become applicable to any particular order or contract. In accordance with the F-tone Networks policy of continuous improvement specifications may change without notice.
The publication of information in this data sheet does not imply freedom from patent or other protective rights of F-tone Networks or others. rther details are available from any F-tone Networks sales representative.

光学性能测试
测试光纤收发模块的眼图情况、接收灵敏度、消光比、波长、发光、光接收、电流和电压,以确保信号质量、传输的稳定性和可靠性。
Traffic Testing
测试误码率和丢包率,使其符合相应标准,确保收发器的性能。


光学性能测试
测试光纤收发模块的眼图情况、接收灵敏度、消光比、波长、发光、光接收、电流和电压,以确保信号质量、传输的稳定性和可靠性。
端面测试
检查光纤收发模块的端面并保持清洁,以实现更稳定的数据传输、更好的性能和耐用性。


兼容品牌:
华为 | 华三 | 中兴 | 锐捷 | Cisco | Juniper | Arista | Brocade |HPE ProCurve | HPE Aruba | HPE BladeSystem | HPE H3C | H3C | Dell | Extreme | HW | Generic | F-tone | Intel | Netgear | IBM | NVIDIA/Mellanox (Ethernet) | Ciena | Fortinet | Avago | Avaya | Alcatel-Lucent | D-Link | F5 | Ubiquiti | Mikrotik |Broadcom…..






