
产品描述
● 纯国产零部件
● 传输距离可达40km
● 单电源供电(3.3V)
● 2×5 SFF封装 SC 接口
● 差分CML信号输入与输出
● SD输出为LVTTL信号
● 工作温度: -40 ℃to 85℃
● 符合国际安全标准IEC-60825(Class 1 Laser )
产品应用
● 光纤通信链路
极限条件
| 参数 | 符号 | 最小值 | 最大值 | 单位 | 备注 |
| 储存温度 | Ts | -40 | 85 | ℃ | – |
| 工作电压 | Vcc | -0.5 | 4.0 | V | – |
| 焊接温度 | – | – | 260 | ℃ | 焊接时间不超过10秒 |
| 输入电压 | Vin | GND | Vcc | V | – |
推荐条件
| 参数 | 符号 | 最小值 | 典型值 | 最大值 | 单位 |
| 工作电压 | Vcc | 3.1 | 3.3 | 3.5 | V |
| 工作温度 | 工业级 | -40 | – | 85 | ℃ |
| 工作速率 | – | – | 155 | – | Mbps |
| 工作电流 | Icc | – | – | 300 |
发射参数 ( 3.1V < Vcc < 3.5V)
| 参数 | 符号 | 最小值 | 典型值 | 最大值 | 单位 |
| 光学参数 | |||||
| 光功率 | Po(1310TX/1550RX) | -8 | – | 0 | dBm |
| Po(1550TX/1310RX) | -8 | – | 0 | ||
| 波长 | λC(1310TX/1550RX) | 1270 | 1310 | 1350 | nm |
| λC(1550TX/1310RX) | 1510 | 1550 | 1590 | ||
| 输出谱宽 | Δλ | – | – | 4 | nm(RMS) |
| 消光比 | ER | 10 | – | 1 | dB |
| 电学参数 | |||||
| 差分输入电压 | Vdiff_in | 200 | – | 1000 | mV |
| 发射使能输入电压 | Disable | 2 | – | VCC | V |
| Enable | 0 | – | 0.8 | V | |
接收参数
| 参数 | 符号 | 最小值 | 典型值 | 最大值 | 单位 | 备注 |
| 光学参数 | ||||||
| 灵敏度 | Sen | – | – | -34 | dBm | 1 |
| 饱和 | PMAX | -3 | – | – | dBm | |
| (恢复)Signal Detect — Asserted | Pa | – | – | -35 | dBm | |
| (关断)Signal Detect — Deasserted | Pd | -50 | – | – | dBm | |
| (滞回)Signal Detect — Hysteresis | Phys | 1 | – | 4 | dB | |
| 中心波长 | λ(1310TX/1550RX) | 1500 | 1550 | 1600 | nm | |
| λ(1550TX/1310RX) | 1260 | 1310 | 1360 | |||
| 电学参数 | ||||||
| 差分输出电压 | Vdiff_out | 300 | – | 800 | mV | |
| 接收SD指示电压 | Normal | 2.0 | – | Vcc | V | |
| LOS | 0 | – | 0.8 | V | ||
备注:1.测试值为平均光功率;BER < 10-12, PRBS 231 -1;
引脚定义
| 序号 | 名称 | 输入/输出类型 | 描述 |
| 1 | RX_VEE | 输入 | 接收地 |
| 2 | RX_VCC | 输入 | +3.3V 接收电源 |
| 3 | SD | 输出 | 接收指示,高电平代表接收到信号,低电平代表未接收到信号, 信号电平为 LVTTL ,模块已内置上拉电阻。 |
| 4 | RD- | 输出 | 接收反向输出端,交流耦合,CML 电平输出 |
| 5 | RD+ | 输出 | 接收正向输出端,交流耦合,CML 电平输出 |
| 6 | TX_VCC | 输入 | +3.3V 发射电源 |
| 7 | TX_VEE | 输入 | 发射地 |
| 8 | Tx_Dis | 输入 | 发射使能,模块已内置上拉电阻,信号电平为LVTTL,其状态为: 低:发射打开高:发射关闭 |
| 9 | TD+ | 输入 | 发射正向输入端,交流耦合,CML 电平输入 |
| 10 | TD- | 输入 | 发射反向输入端,交流耦合,CML 电平输入 |
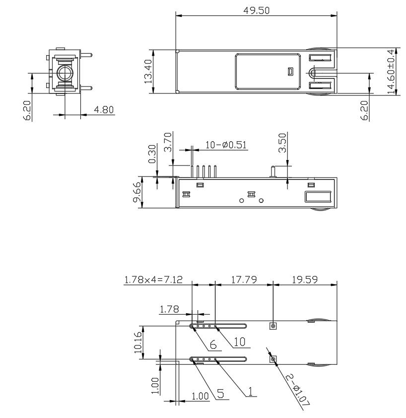
产品尺寸

订购须知
| 产品型号 | 接口 | 速率 (Mb/s) | 距离 (Km) | 波长 (nm) | 发射功率 (dBm) | 接收灵敏度(dBm) | 工作温度(℃) |
| FTAF-B1303-40I-GC | SC | 155 | 40 | TX1310FP/RX1550 | -8 to 0 | -34 | -40~85 |
| FTAF-B1503-40I-GC | SC | 155 | 40 | TX1550DFB/RX1310 | -8 to 0 | -34 | -40~85 |
注:“GC”代表全国产
北亿纤通 | F-tone Networks
企业邮箱:sales@f-tone.com
企业手机:19081343401
企业电话:028-85255257
企业传真:028-85977702
注:本产品有全国产化型号可选
Important Notice
Performance figures, data and any illustrative material provided in this data sheet are typical and must be specifically confirmed in writing by F-tone Networks before they become applicable to any particular order or contract. In accordance with the F-tone Networks policy of continuous improvement specifications may change without notice.
The publication of information in this data sheet does not imply freedom from patent or other protective rights of F-tone Networks or others. rther details are available from any F-tone Networks sales representative.

光学性能测试
测试光纤收发模块的眼图情况、接收灵敏度、消光比、波长、发光、光接收、电流和电压,以确保信号质量、传输的稳定性和可靠性。
Traffic Testing
测试误码率和丢包率,使其符合相应标准,确保收发器的性能。


光学性能测试
测试光纤收发模块的眼图情况、接收灵敏度、消光比、波长、发光、光接收、电流和电压,以确保信号质量、传输的稳定性和可靠性。
端面测试
检查光纤收发模块的端面并保持清洁,以实现更稳定的数据传输、更好的性能和耐用性。


兼容品牌:
华为 | 华三 | 中兴 | 锐捷 | Cisco | Juniper | Arista | Brocade |HPE ProCurve | HPE Aruba | HPE BladeSystem | HPE H3C | H3C | Dell | Extreme | HW | Generic | F-tone | Intel | Netgear | IBM | NVIDIA/Mellanox (Ethernet) | Ciena | Fortinet | Avago | Avaya | Alcatel-Lucent | D-Link | F5 | Ubiquiti | Mikrotik |Broadcom…..





