
产品描述
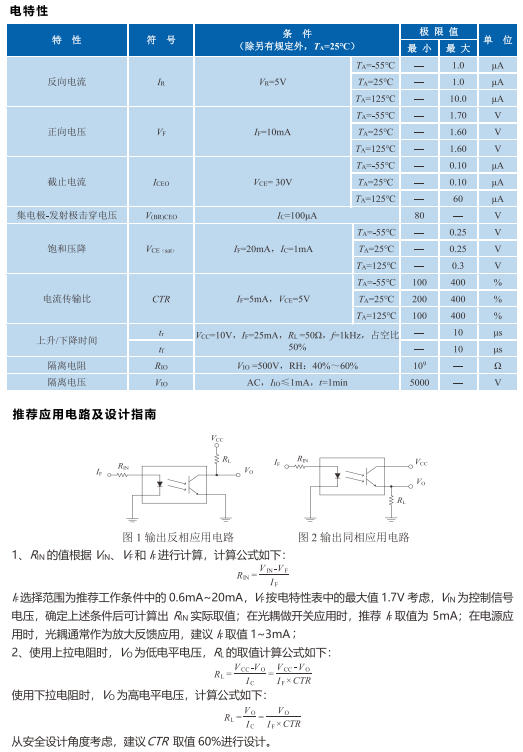
HT8011P型光电耦合器是采用CSOP封装的单通道晶体管输出型工业级光耦,隔离电压不低于AC5000V,可根据技术条件增加筛选项目。


本产品为FT-Y3系列,仅展示部分参数,如有需要,请联系我们。
北亿纤通 | F-tone Networks
企业邮箱:sales@f-tone.com
企业手机:19081343401
企业电话:028-85255257
企业传真:028-85977702
Important Notice
Performance figures, data and any illustrative material provided in this data sheet are typical and must be specifically confirmed in writing by F-tone Networks before they become applicable to any particular order or contract. In accordance with the F-tone Networks policy of continuous improvement specifications may change without notice.
The publication of information in this data sheet does not imply freedom from patent or other protective rights of F-tone Networks or others. Further details are available from any F-tone Networks sales representative.