
Description
F-tone Networks 400G QSFP56 DD to 8x53G SFP56 breakout Active Optical Cable offers IT professionals a cost-effective interconnect solution for merging 400G QSFP56 DD and 53G SFP56 enabled host adapters, switches and servers.
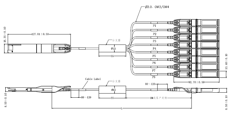
For typical applications, users can install this splitter Active Optical cable between an available QSFP56 DD port on their 400Gbps rated switch and feed up to eight upstream 50GbE-SFP56 enabled switches. Each QSFP56 DD-SFP56 splitter Active Optical cable features a single QSFP56 DD connector (QSFP DD MSA) rated for 400Gbps on one end and (8) SFP56 connectors (SFF-8431), each rated for 53Gb/s, on the other.
This module incorporates F-tone Networks Technologies proven circuit and VCSEL technology to provide reliable long life, high performance, and consistent service.
Features
● 8 channels full-duplex transceiver modules
● Transmission data rate up to 53Gbps per channel
● 8x53Gbps PAM4 transmitter and PM4 recevier
● 8 channels 850nm VCSEL array
● 8 channels PIN photo detector array
● Internal CDR circuits on both receiver and transmitter channels
● Power consumption: <10W QSFP56 DD end;<2W SFP56 end
● Hot Pluggable QSFP DD form factor and Compliant with CMIS V4.0
● Maximum link length of 70m on OM3 Multimode Fiber (MMF)and 100m on OM4 MMF with FEC
● Built-in digital diagnostic functions
● 3.3V power supply voltage
● RoHS 6 compliant(lead free)
● Case operating temperature
     Commercial: 0 ~ +70℃
     Industrial: -40 ~ +85℃
Applications
● IEEE 802.3cd 200GBASE-SR4 and 50GBASE-SR
Absolute Maximum Ratings
| Parameter | Symbol | Min | Max | Unit | 
| Supply Voltage | Vcc | -0.3 | 3.6 | V | 
| Input Voltage | Vin | -0.3 | Vcc+0.3 | V | 
| Storage Temperature | Tst | -20 | 85 | ºC | 
| Case Operating Temperature | Top | 0 | 70 | ºC | 
| Humidity(non-condensing) | Rh | 5 | 95 | % | 
Recommended Operating Conditions
| Parameter | Symbol | Min | Typical | Max | Unit | 
| Supply Voltage | Vcc | 3.13 | 3.3 | 3.47 | V | 
| Operating Case temperature | Tca | 0 | 70 | ºC | |
| Data Rate Per Lane | fd | 26.5325 | GBd | ||
| Humidity | Rh | 5 | 85 | % | |
| Power Dissipation (QSFP56 DD end) | Pm | 10 | W | ||
| SFP56 per end | 2 | W | 
Electrical Specifications
| Parameter | Symbol | Min | Typical | Max | Unit | 
| Differential input impedance | Zin | 90 | 100 | 110 | ohm | 
| Differential Output impedance | Zout | 90 | 100 | 110 | ohm | 
| Differential input voltage amplitude aAmplitude | ΔVin | 900 | mVp-p | ||
| Differential output voltage amplitude | ΔVout | 900 | mVp-p | ||
| Skew | Sw | 300 | ps | ||
| Bit Error Rate | BER | 2.4E-4 | – | ||
| Near-end Eye Width at 10^-6 probability(EW6) | 0.265 | UI | |||
| Near-end Eye Height at 10^-6 probability(EH6) | 70 | mV | |||
| Far-end Eye Width at 10^-6 probability(EW6) | 0.20 | UI | |||
| Far-end Eye Height at 10^-6 probability(EH6) | 30 | mV | |||
| Near-end Eye Linearity | 0.85 | – | 
Note:
1.   BER=2.4E-4; PRBS31Q@26.5625GBd. Pre-FEC
2.  Differential input voltage amplitude is measured between TxnP and TxnN.
3.  Differential output voltage amplitude is measured between RxnP and RxnN. 
Optical Characteristics 
Table 3 – Optical Characteristics 
| Parameter | Symbol | Min | Typical | Max | Unit | Notes | 
| Transmitter | ||||||
| Centre Wavelength | λc | 840 | 850 | 860 | nm | – | 
| RMS spectral width | ∆λ | – | – | 0.6 | nm | – | 
| Average launch power, each lane | Pout | -6 | – | 4 | dBm | – | 
| Optical Modulation Amplitude (OMAouter), each lane | OMA | -4 | 3 | dBm | – | |
| Transmitter and dispersion eye closure(TDEC),each lane | TDEC | 4.9 | dB | |||
| Extinction Ratio | ER | 3 | – | – | dB | – | 
| Average launch power of OFFtransmitter, each lane | -30 | dB | – | |||
| Receiver | ||||||
| Centre Wavelength | λc | 840 | 850 | 860 | nm | – | 
| Receiver Sensitivity in OMAout | RXsen | -7 | dBm | 1 | ||
| Stressed Receiver Sensitivity in OMA out | -3 | dBm | 1 | |||
| Maximum Average power at receiver , each laneinput, each lane | 4 | dBm | – | |||
| Minimum Average power at receiver , each lane | -7.9 | dBm | ||||
| Receiver Reflectance | -12 | dB | – | |||
| LOS Assert | -10 | dBm | – | |||
| LOS De-Assert – OMA | -7.5 | dBm | – | |||
| LOS Hysteresis | 0.5 | dB | – | |||
Note:Measured with conformance test signal at TP3 for BER = 2.4E-4 Per-FEC
Mechanical Dimensions

Ordering information
| Part Number | Product Description | 
| FTQD-4H-8CS-Oxxx | 400G QSFP56 DD to 8x53G SFP56 AOC, 70m on OM3 Multimode Fiber (MMF)and 100m on OM4 MMF,0ºC ~ +70ºC | 
| FTQD-4H-8CS-OxxxI | 400G QSFP56 DD to 8x53G SFP56 AOC, 70m on OM3 Multimode Fiber (MMF)and 100m on OM4 MMF,-40ºC ~ +85ºC | 
| xxx | 005-5m, 020-20m, 050-50m, 100-100m, | 
北亿纤通 | F-tone Networks
企业邮箱: sales@f-tone.com
企业手机:19081343401
企业电话:028-85255257
企业传真:028-85977702
注:本产品有全国产化型号可选
Important Notice
Performance figures, data and any illustrative material provided in this data sheet are typical and must be specifically confirmed in writing by F-tone Networks before they become applicable to any particular order or contract. In accordance with the F-tone Networks policy of continuous improvement specifications may change without notice.
The publication of information in this data sheet does not imply freedom from patent or other protective rights of F-tone Networks or others. Further details are available from any F-tone Networks sales representative.

光学性能测试
测试光纤收发模块的眼图情况、接收灵敏度、消光比、波长、发光、光接收、电流和电压,以确保信号质量、传输的稳定性和可靠性。
Traffic Testing
测试误码率和丢包率,使其符合相应标准,确保收发器的性能。


光学性能测试
测试光纤收发模块的眼图情况、接收灵敏度、消光比、波长、发光、光接收、电流和电压,以确保信号质量、传输的稳定性和可靠性。
端面测试
检查光纤收发模块的端面并保持清洁,以实现更稳定的数据传输、更好的性能和耐用性。


兼容品牌:
华为 | 华三 | 中兴 | 锐捷 | Cisco | Juniper | Arista | Brocade |HPE ProCurve | HPE Aruba | HPE BladeSystem | HPE H3C | H3C | Dell | Extreme | HW | Generic | F-tone | Intel | Netgear | IBM | NVIDIA/Mellanox (Ethernet) | Ciena | Fortinet | Avago | Avaya | Alcatel-Lucent | D-Link | F5 | Ubiquiti | Mikrotik |Broadcom…..

