
特点
● 超小体积:22mm17mm8.9mm
● 高响应度: 典型值 0.8 mA/mW @ 1310nm
● 超宽的工作频率范围:10MHz~ 3GHz
● 超宽接收波长范围:1100nm~1620nm
● RF 通路带有隔直电容并匹配到 50 欧姆
运用
● 天线拉远
● GPS 信号传输
● 无线信号传输
● 分布式天线系统
● 高速测试测量
● HFC和FTTx Nodes系统的视频信号分布传输
最大最小绝对值范围
| 参数 | 符号 | 条件 | 最小值 | 最大值 | 单位 |
| 工作温度范围 | Topr | -40 | +70 | °C | |
| 存储温度范围 | Tstg | -40 | +85 | °C | |
| 饱和输入光功率 | Ps | – | 10 | mW | |
| 前向电流 | If | – | 10 | mA | |
| 反向偏置电压 | Vr | – | 20 | V | |
| 直流工作电压 | Vd | +4.7 | +5.5 | V | |
| 暗电流 | Td | 100 | nA | ||
| 相对湿度 | Hr | – | – | 95 | % |
| 压强 | Pr | – | 86 | 106 | kPa |
| 静电等级 ESD | Human body model | – | Class 1B |
注意:超过最大(最小)值,将会有可能造成光模块永久损坏或缩短模块使用寿命和模块不能质保。
电和光特性
| 参数 | 符号 | 测试条件 | 最小值 | 典型值 | 最大值 | 单位 |
| 波长范围 | λ | 1100 | — | 1620 | nm | |
| 响应度 | R | 1310nm | 0.7 | 0.8 | — | mA/mW |
| 1550nm | 0.7 | 0.85 | — | |||
| 频率带宽 | BW | 0.01 | — | 3 | GHz | |
| 带内波动 (1) | Flatness | 0.1GHz~3GHz | — | ±1 | ±1.2 | dB |
| 射频回波损耗 | RL | 0.1GHz~3GHz | — | -15 | -10 | dB |
| 光背向反射 | ORL | — | -35 | — | dB | |
| 暗电流 | Id | — | 5 | 100 | nA | |
| 工作电压 | Vd | +4.8 | +5.0 | +5.2 | VDC | |
| 功耗 | Pdiss | +5V 供电 | — | 25 | 50 | mW |
说明: (1) 测试与光发模块通过 1 米光纤连接测试,并扣除了光发模块影响后的波动值;
光纤特性
| 参数 | 典型值 | 单位 |
| 光纤类型 | 单模(标准) | |
| 光接口类型 | FC/APC | |
| 尾纤长度 | 1 | m |
| 尾纤最小弯曲半径 | 30~35 | mm |
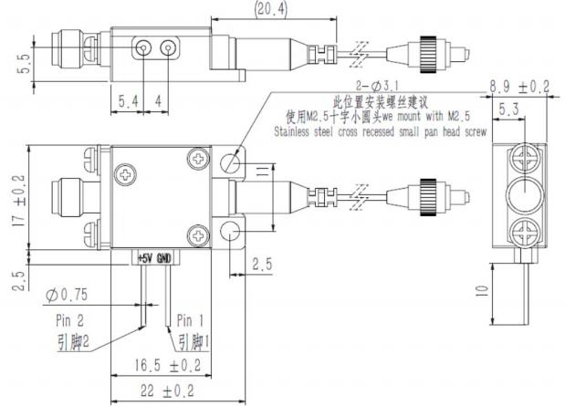
管脚定义
| 管脚 | 名称 | 方向 | 说明 |
| 1 | GND | Ⅰ | 地脚 |
| 2 | +5V | Ⅰ | +5V DC 供电脚 |
| 3 | RF | O | 射频输出, SMA 母头,50 欧姆 |
机械结构 (单位: mm)

注意:安装模块的 M2.5 螺钉切勿对光器件部分形成任何挤压,否则可能导致光器件的断裂。
订货信息
光收模块
| FT-79-OM | – | R | S | C | 000 | N | F | – | O | W | 00 |
| FT-79-OM:光模块 | R:光收 | 工作频率:S: 3GHz | 波长范围000:1100nm~1620nm | F:FC/APC | 工作温度范围W: -40 to 70℃ |
北亿纤通 | F-tone Networks
企业邮箱:sales@f-tone.com
企业手机:19081343401
企业电话:028-85255257
企业传真:028-85977702
注:本产品有全国产化型号可选
本产品为FT-79系列,仅展示部分参数,如有需要,请联系我们。
Important Notice
Performance figures, data and any illustrative material provided in this data sheet are typical and must be specifically confirmed in writing by F-tone Networks before they become applicable to any particular order or contract. In accordance with the F-tone Networks policy of continuous improvement specifications may change without notice.
The publication of information in this data sheet does not imply freedom from patent or other protective rights of F-tone Networks or others. rther details are available from any F-tone Networks sales representative.

光学性能测试
测试光纤收发模块的眼图情况、接收灵敏度、消光比、波长、发光、光接收、电流和电压,以确保信号质量、传输的稳定性和可靠性。
Traffic Testing
测试误码率和丢包率,使其符合相应标准,确保收发器的性能。


光学性能测试
测试光纤收发模块的眼图情况、接收灵敏度、消光比、波长、发光、光接收、电流和电压,以确保信号质量、传输的稳定性和可靠性。
端面测试
检查光纤收发模块的端面并保持清洁,以实现更稳定的数据传输、更好的性能和耐用性。


兼容品牌:
华为 | 华三 | 中兴 | 锐捷 | Cisco | Juniper | Arista | Brocade |HPE ProCurve | HPE Aruba | HPE BladeSystem | HPE H3C | H3C | Dell | Extreme | HW | Generic | F-tone | Intel | Netgear | IBM | NVIDIA/Mellanox (Ethernet) | Ciena | Fortinet | Avago | Avaya | Alcatel-Lucent | D-Link | F5 | Ubiquiti | Mikrotik |Broadcom…..






