
Features
● Low noise, use butterfly optical device with TEC
● Support ITU C Band
● Wide operating frequency from 10MHz to 18GHz
● APC&ATC functions
● Flat frequency response
● High dynamic range
● Excellent EMI/EMC design
Applications
● Antenna remoting
● Secure communication
● Fiber delay line
● Distributed antenna system
● Wideband wireless communication
● OFDM fiber transmission
Absolute Maximum Ratings
| Parameter | Symbol | Condition | Min. | Max. | Unit |
| Operating Temperature | Topr | Case temperature | -40 | +70 | °C |
| Storage Temperature | Tstg | -40 | +85 | °C | |
| DC Operating Voltage | Vd | -5V | -5.5 | -4.7 | V |
| +5V | +4.7 | +5.5 | |||
| RF Input Power | Prf | Continuous | — | 20 | dBm |
| Relative Humidity | Hr | 10 | 95 | % | |
| Atmospheric Pressure | Pr | 86 | 106 | kPa | |
| ESD | Human body model | — | Class 1A |
Typical Specification (CWDM)
| Parameter | Test Condition | Min. | Typ. | Max. | Unit | ||
| Frequency Range | TSC | 0.01 ~ 3 | GHz | ||||
| TCC | 0.01 ~ 6 | ||||||
| TXC | 0.01 ~ 12 | ||||||
| TYC | 0.01 ~ 16 | ||||||
| TUC | 0.01 ~ 18 | ||||||
| Optical Wavelength | λ0 is standard CWDM wavelength | Optional | nm | ||||
| Optical Wavelength Range | Operating Temperature Range | λ0-3 | λ0 | λ0 +3 | nm | ||
| Output Optical Power | +25℃ | — | 9 | — | dBm | ||
| Gain (1) | Operating Temperature Range | -30 | -26 | — | dB | ||
| Gain Flatness (1) | TSC | 100MHz ~ 3GHz | — | ±1.2 | ±2 | dB | |
| TCC | 100MHz ~ 6GHz | — | ±1.5 | ±2.5 | |||
| TXC | 100MHz ~ 12GHz | — | ±1.8 | ±2.5 | |||
| TYC | 100MHz ~ 16GHz | — | ±1.5 | ±2.5 | |||
| TUC | 100MHz ~ 18GHz,1270nm ~ 1330nm,1550nm | — | ±1.5 | ±2.5 | |||
| 100MHz ~ 18GHz, 1350nm/1370nm | — | ±2 | ±3 | ||||
| RF Return Loss | TSC | 100MHz ~ 3GHz | — | -15 | -10 | dB | |
| TCC | 100MHz ~ 6GHz | — | -12 | -10 | |||
| TXC | 100MHz ~ 12GHz | — | -10 | -8 | |||
| TYC | 100MHz ~ 16GHz | — | -12 | -8 | |||
| TUC | 100MHz ~ 18GHz,1270nm ~ 1330nm,1550nm | — | -12 | -8 | |||
| 100MHz ~ 18GHz, 1350nm/1370nm | — | -10 | -5 | ||||
| Iutput P-1dB | 1GHz | — | 18 | — | dBm | ||
| SFDR (1) | TSC | 1GHz | 1270nm ~ 1370nm | 113 | 119 | — | dB·Hz2/3 |
| TCC | 1530nm/1550nm | 113 | 118 | — | |||
| 2GHz | 1270nm ~ 1370nm | 111 | 116 | — | |||
| 1530nm/1550nm | 110 | 115 | — | ||||
| 3GHz | 1270nm ~ 1370nm | 108 | 113 | — | |||
| 1530nm/1550nm | 106 | 111 | — | ||||
| 1GHz | 1270nm ~ 1370nm | 110 | 117 | — | |||
| 1530nm/1550nm | 109 | 117 | — | ||||
| 3GHz | 1270nm ~ 1370nm | 107 | 114 | — | |||
| 1530nm/1550nm | 105 | 112 | — | ||||
| 6GHz | 1270nm ~ 1370nm | 103 | 109 | — | |||
| 1530nm/1550nm | 101 | 107 | — | ||||
| TXC | 1GHz | 110 | 117 | — | |||
| 6GHz | 104 | 111 | — | ||||
| 12GHz | 99 | 106 | — | ||||
| TYC | 1GHz | 110 | 115 | — | |||
| 10GHz | 105 | 112 | — | ||||
| 16GHz | 101 | 105 | — | ||||
| TUC | 1GHz | 109 | 115 | — | |||
| 10GHz | 104 | 109 | — | ||||
| 18GHz | 100 | 105 | — | ||||
| IIP3 (1) | TSC | 1GHz | 32 | 36 | — | dBm | |
| 2GHz | 30 | 33 | — | ||||
| 3GHz | 27 | 30 | — | ||||
| TCC | 1GHz | 27 | 34 | — | |||
| 3GHz | 25 | 31 | — | ||||
| 6GHz | 22 | 26 | — | ||||
| TXC | 1GHz | 27 | 33 | — | |||
| 6GHz | 24 | 30 | — | ||||
| 12GHz | 21 | 26 | — | ||||
| TYC | 1GHz | 28 | 32 | — | |||
| 10GHz | 25 | 30 | — | ||||
| 16GHz | 22 | 26 | — | ||||
| TUC | 1GHz | 28 | 32 | — | |||
| 10GHz | 25 | 30 | — | ||||
| 18GHz | 22 | 27 | — | ||||
| Noise Figure (1) | TSC | 1GHz | 1270nm ~ 1370nm | — | 32 | 36 | dB |
| 1530nm/1550nm | — | 33 | 37 | ||||
| 2GHz | 1270nm ~ 1370nm | — | 33 | 38 | |||
| 1530nm/1550nm | — | 35 | 39 | ||||
| 3GHz | 1270nm ~ 1370nm | — | 34 | 39 | |||
| 1530nm/1550nm | — | 37 | 42 | ||||
| TCC | 1GHz | 1270nm ~ 1370nm | — | 32 | 36 | ||
| 1530nm/1550nm | — | 33 | 37 | ||||
| 3GHz | 1270nm ~ 1370nm | — | 34 | 39 | |||
| 1530nm/1550nm | — | 37 | 42 | ||||
| 6GHz | 1270nm ~ 1370nm | — | 37 | 42 | |||
| 1530nm/1550nm | — | 40 | 45 | ||||
| 1GHz | — | 32 | 36 | ||||
| TXC | 6GHz | — | 37 | 42 | |||
| 12GHz | — | 41 | 47 | ||||
| TYC | 1GHz | — | 34 | 37 | |||
| 10GHz | — | 36 | 41 | ||||
| 16GHz | — | 42 | 45 | ||||
| Noise Figure (1) | TUC | 1GHz | — | 34 | 38 | dB | |
| 10GHz | — | 40 | 43 | ||||
| 18GHz | — | 43 | 46 | ||||
| Operating Current | +5V | — | 65 | 800 | mA | ||
| -5V | — | 70 | 100 | ||||
| Operating Voltage | +5V | +4.8 | +5 | +5.2 | VDC | ||
| -5V | -5.2 | -5 | -4.8 | ||||
| Weight | — | 60 | 61 | g | |||
Note: (1)Test with F-tone Networks Optical Receiver and 1.0-meter SMF-28 fiber.
Typical Specification (DWDM)
| Parameter | Test Condition | Min. | Typ. | Max. | Unit | |
| Frequency Range | TSC | 0.01 ~ 3 | GHz | |||
| TCC | 0.01 ~ 6 | |||||
| TXC | 0.01 ~ 12 | |||||
| Optical Wavelength | λ0 is ITU C wavelength | Optional | nm | |||
| Optical Wavelength Range | Operating Temperature Range | λ0-0.1 | λ0 | λ0 +0.1 | nm | |
| Output Optical Power | +25℃ | — | 9 | — | dBm | |
| Gain (2) | Operating Temperature Range | -30 | -26 | — | dB | |
| Gain Flatness (2) | TSC | 100MHz ~ 3GHz | — | ±1.3 | ±2 | dB |
| TCC | 100MHz ~ 6GHz | — | ±1.5 | ±2.2 | ||
| TXC | 100MHz ~ 12GHz | — | ±2 | ±3 | ||
| RF Return Loss | TSC | 100MHz ~ 3GHz | — | -13 | -10 | dB |
| TCC | 100MHz ~ 6GHz | — | -12 | -10 | ||
| TXC | 100MHz ~ 12GHz | — | -10 | -8 | ||
| Iutput P-1dB | 1GHz | — | 18 | — | dBm | |
| SFDR (2) | TSC | 1GHz | 112 | 118 | — | dB·Hz2/3 |
| 2GHz | 110 | 115 | — | |||
| 3GHz | 109 | 113 | — | |||
| TCC | 1GHz | 113 | 118 | — | ||
| 3GHz | 109 | 113 | — | |||
| 6GHz | 101 | 106 | — | |||
| TXC | 1GHz | 109 | 115 | — | ||
| 6GHz | 102 | 107 | — | |||
| 12GHz | 95 | 99 | — | |||
| IIP3 (2) | TSC | 1GHz | 31 | 36 | — | dBm |
| 2GHz | 30 | 35 | — | |||
| 3GHz | 29 | 33 | — | |||
| TCC | 1GHz | 33 | 38 | — | ||
| 3GHz | 29 | 33 | — | |||
| 6GHz | 22 | 27 | — | |||
| TXC | 1GHz | 28 | 33 | — | ||
| 6GHz | 24 | 28 | — | |||
| 12GHz | 20 | 23 | — | |||
| Noise Figure (2) | TSC | 1GHz | — | 33 | 37 | dB |
| 2GHz | — | 36 | 39 | |||
| 3GHz | — | 37 | 40 | |||
| TCC | 1GHz | — | 35 | 38 | ||
| 3GHz | — | 37 | 40 | |||
| 6GHz | — | 42 | 45 | |||
| TXC | 1GHz | — | 35 | 39 | ||
| 6GHz | — | 41 | 45 | |||
| 12GHz | — | 48 | 51 | |||
| Operating Current | +5V | — | 65 | 800 | mA | |
| -5V | — | 70 | 100 | |||
| Operating Voltage | +5V | +4.8 | +5 | +5.2 | VDC | |
| -5V | -5.2 | -5 | -4.8 | |||
| Weight | — | 60 | 61 | g | ||
Note: (2)Test with F-tone Optical Receiver and 1.0-meter SMF-28 fiber.
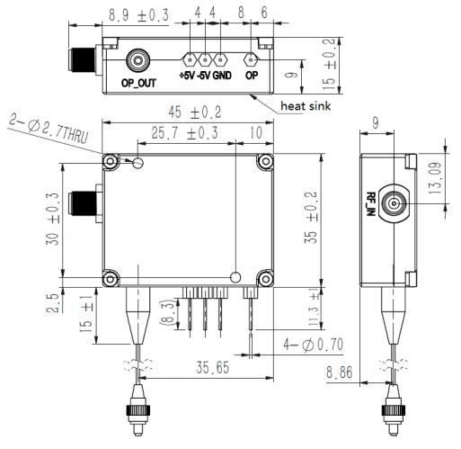
Mechanical (unit: mm)

Note: Heat is dissipated from the bottom of the module. M2.5 screws are used for module installation.
Ordering Information
| FT-79-OM | – | T | x | C | xxx | N | F | – | O | W | K0 |
| Frequency Range(4)S:3GHz C:6GHzX:12GHz Y:16GHz U:18GHz | Laser Wavelength (5) 127:1270nm129:1290nm…137:1370nm 153:1530nm 155:1550nmxxC:xx is the ITU C band wavelength code number, see the table below | Optical Connector and Fiber TypeF:FC/APC SMF- 28(Standard) | OperatingTemperature RangeW:-40 to 70℃ |
Note:
(4)The lower start frequency such as 9kHz is also available upon request.
(5)12GHz series modules are not include 1530nm wavelength. 16GHz/18GHz series modules are not include 1530nm and ITU C band wavelength. Other optical wavelength is also available upon request.
ITU C band Wavelength Code Number Table
| xx | Frequency (THz) | Center Wavelength (nm) | xx | Frequency (THz) | Center Wavelength (nm) |
| 17 | 191.7 | 1563.86 | 40 | 194.0 | 1545.32 |
| 18 | 191.8 | 1563.05 | 41 | 194.1 | 1544.53 |
| 19 | 191.9 | 1562.23 | 42 | 194.2 | 1543.73 |
| 20 | 192.0 | 1561.42 | 43 | 194.3 | 1542.94 |
| 21 | 192.1 | 1560.61 | 44 | 194.4 | 1542.14 |
| 22 | 192.2 | 1559.79 | 45 | 194.5 | 1541.35 |
| 23 | 192.3 | 1558.98 | 46 | 194.6 | 1540.56 |
| 24 | 192.4 | 1558.17 | 47 | 194.7 | 1539.77 |
| 25 | 192.5 | 1557.36 | 48 | 194.8 | 1538.98 |
| 26 | 192.6 | 1556.55 | 49 | 194.9 | 1538.19 |
| 27 | 192.7 | 1555.75 | 50 | 195.0 | 1537.40 |
| 28 | 192.8 | 1554.94 | 51 | 195.1 | 1536.61 |
| 29 | 192.9 | 1554.13 | 52 | 195.2 | 1535.82 |
| 30 | 193.0 | 1553.33 | 53 | 195.3 | 1535.04 |
| 31 | 193.1 | 1552.52 | 54 | 195.4 | 1534.25 |
| 32 | 193.2 | 1551.72 | 55 | 195.5 | 1533.47 |
| 33 | 193.3 | 1550.92 | 56 | 195.6 | 1532.68 |
| 34 | 193.4 | 1550.12 | 57 | 195.7 | 1531.90 |
| 35 | 193.5 | 1549.32 | 58 | 195.8 | 1531.12 |
| 36 | 193.6 | 1548.51 | 59 | 195.9 | 1530.33 |
| 37 | 193.7 | 1547.72 | 60 | 196.0 | 1529.55 |
| 38 | 193.8 | 1546.92 | 61 | 196.1 | 1528.77 |
| 39 | 193.9 | 1546.12 |
北亿纤通 | F-tone Networks
企业邮箱:sales@f-tone.com
企业手机:19081343401
企业电话:028-85255257
企业传真:028-85977702
注:本产品有全国产化型号可选
本产品为FT-79系列,仅展示部分参数,如有需要,请联系我们。
Important Notice
Performance figures, data and any illustrative material provided in this data sheet are typical and must be specifically confirmed in writing by F-tone Networks before they become applicable to any particular order or contract. In accordance with the F-tone Networks policy of continuous improvement specifications may change without notice.
The publication of information in this data sheet does not imply freedom from patent or other protective rights of F-tone Networks or others. rther details are available from any F-tone Networks sales representative.

光学性能测试
测试光纤收发模块的眼图情况、接收灵敏度、消光比、波长、发光、光接收、电流和电压,以确保信号质量、传输的稳定性和可靠性。
Traffic Testing
测试误码率和丢包率,使其符合相应标准,确保收发器的性能。


光学性能测试
测试光纤收发模块的眼图情况、接收灵敏度、消光比、波长、发光、光接收、电流和电压,以确保信号质量、传输的稳定性和可靠性。
端面测试
检查光纤收发模块的端面并保持清洁,以实现更稳定的数据传输、更好的性能和耐用性。


兼容品牌:
华为 | 华三 | 中兴 | 锐捷 | Cisco | Juniper | Arista | Brocade |HPE ProCurve | HPE Aruba | HPE BladeSystem | HPE H3C | H3C | Dell | Extreme | HW | Generic | F-tone | Intel | Netgear | IBM | NVIDIA/Mellanox (Ethernet) | Ciena | Fortinet | Avago | Avaya | Alcatel-Lucent | D-Link | F5 | Ubiquiti | Mikrotik |Broadcom…..




