
PRODUCT FEATURES
- Support 10Gbase-T / 5Gbase-T / 2.5Gbase-T / 1000base-T/100base-Tx on line port
- Support USXGMII on host port
- Hot-pluggable SFP footprint
- Compact RJ-45 connector assembly
- RoHS compliant and lead-free
- Single +3.3V power supply
- 10 Gigabit Ethernet over Cat 6a cable
- Ambient Operating temperature: 0°C to+70°C/-40°Cto +85°C
PRODUCT DESCRIPTION
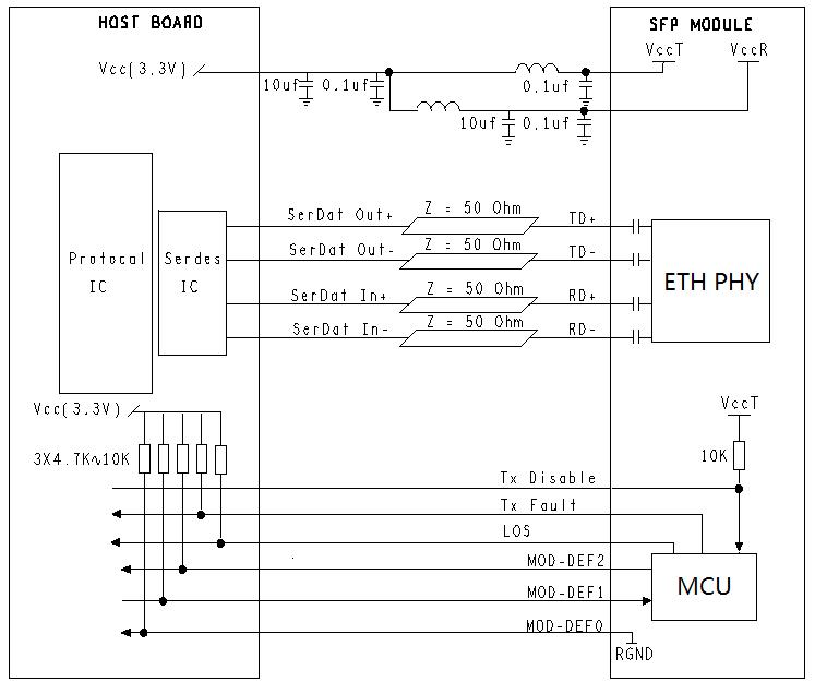
SFP+-10GBASE-T Copper Small Form Pluggable (SFP) transceivers are based on the SFP Multi Source Agreement (MSA) . They are compatible with the 10Gbase-T / 5Gbase-T / 2.5Gbase-T / 1000base-T standards as specified in IEEE Std 802.3 . SFP+-10GBASE-T uses the SFP’s RX_LOS(must be pulled up on host) pin for link indication. If pull up or open SFP’s TX_DISABLE pin, PHY IC be reset.
Cable Length
| Line Port | Cable | Reach | Host Port |
| 10Gbase-T | CAT6A F/FTP | 30m | USXGMII |
| 5Gbase-T | CAT5E | 50m | USXGMII |
| 2.5Gbase-T | CAT5E | 50m | USXGMII |
| 1000base-T | CAT5E | 100m | USXGMII |
| 100base-Tx | CAT5E | 100m | USXGMII |
SFP to Host Connector Pin Out
| Pin | Symbol | Name/Description | Ref. |
| 1 | VEET | Transmitter Ground (Common with Receiver Ground) | |
| 2 | TFAULT | Transmitter Fault. Not supported. | |
| 3 | TDIS | Transmitter Disable. Laser output disabled on high or open. | 1 |
| 4 | MOD_DEF(2) | Module Definition 2. Data line for Serial ID. | 2 |
| 5 | MOD_DEF(1) | Module Definition 1. Clock line for Serial ID. | 2 |
| 6 | MOD_DEF(0) | Module Definition 0. Grounded within the module. | 2 |
| 7 | RS0 | No connection required | |
| 8 | LOS | High indicates no linked. low indicates linked. | |
| 9 | RS1 | No connection required | |
| 10 | VEER | Receiver Ground (Common with Transmitter Ground) | |
| 11 | VEER | Receiver Ground (Common with Transmitter Ground) | |
| 12 | RD- | Receiver Inverted DATA out. AC Coupled | |
| 13 | RD+ | Receiver Non-inverted DATA out. AC Coupled | |
| 14 | VEER | Receiver Ground (Common with Transmitter Ground) | |
| 15 | VCCR | Receiver Power Supply | |
| 16 | VCCT | Transmitter Power Supply | |
| 17 | VEET | Transmitter Ground (Common with Receiver Ground) | |
| 18 | TD+ | Transmitter Non-Inverted DATA in. AC Coupled. | |
| 19 | TD- | Transmitter Inverted DATA in. AC Coupled. | |
| 20 | VEET | Transmitter Ground (Common with Receiver Ground) |
Notes:
1. PHY disabled on TDIS > 2.0V or open, enabled on TDIS < 0.8V
2. Should be pulled up with 4.7k – 10k Ohms on host board to a voltage between 2.0 V and 3.6 V. MOD_DEF(0) pulls line low to indicate module is plugged in.
+3.3V Volt Electrical Power Interface
| +3.3 Volt Electrical Power Interface | ||||||
| Parameter | Symbol | Min | Typ | Max | unit | Notes/Conditions |
| Supply Current | Is | 750 | 900 | mA | ||
| Input Voltage | Vcc | 3.13 | 3.3 | 3.47 | V | Referenced to GND |
| Maximum Voltage | Vmax | 4 | V | |||
The SFP+-10GBASE-T has an input voltage range of 3.3 V +/- 5%. The 4V maximum voltage is not allowed for continuous operation.
Low-Speed Signals
MOD_DEF(1) (SCL) and MOD_DEF(2) (SDA), are open drain CMOS signals (see section VII, “Serial Communication Protocol”). Both MOD_DEF(1) and MOD_DEF(2) must be pulled up to host_Vcc
| Low-Speed Signals, Electronic Characteristics | |||||
| Parameter | Symbol | Min | Max | unit | Notes/Conditions |
| SFP Output LOW | VOL | 0 | 0.5 | V | 4.7k to 10k pull-up to host_Vcc,measured at host side of connector |
| SFP Output HIGH | VOH | host_Vcc -0.5 | host_Vcc + 0.3 | V | 4.7k to 10k pull-up to host_Vcc,measured at host side of connector |
| SFP Input LOW | VIL | 0 | 0.8 | V | 4.7k to 10k pull-up to Vcc,measured at SFP side of connector |
| SFP Input HIGH | VIH | 2 | Vcc + 0.3 | V | 4.7k to 10k pull-up to Vcc,measured at SFP side of connector |
High-Speed Electrical Interface
All high-speed signals are AC-coupled internally.
| High-Speed Electrical Interface, Transmission Line-SFP | ||||||
| Parameter | Symbol | Min | Typ | Max | unit | Notes/Conditions |
| Line Frequency | fL | 125 | MHz | 5-level encoding, per IEEE 802.3 | ||
| Tx Output Impedance | Zout,TX | 100 | Ohm | Differential, for all frequencies between1MHz and 125MHz | ||
| Rx Input Impedance | Zin,RX | 100 | Ohm | Differential, for all frequencies between1MHz and 125MHz | ||
| High-Speed Electrical Interface, Host-SFP | ||||||
| Parameter | Symbol | Min | Typ | Max | unit | Notes/Conditions |
| Single ended data input swing | Vinsing | 250 | 1200 | mV | Single ended | |
| Single ended data output swing | Voutsing | 350 | 800 | mV | Single ended | |
| Rise/Fall Time | Tr,Tf | 175 | psec | 20%-80% | ||
| Tx Input Impedance | Zin | 50 | Ohm | Single ended | ||
| Rx Output Impedance | Zout | 50 | Ohm | Single ended | ||
General Specifications
| General | ||||||
| Parameter | Symbol | Min | Typ | Max | unit | Notes/Conditions |
| Data Rate | BR | 1 | 10 | Gb/sec | IEEE 802.3 compatible.See Notes 1,2 below | |
Notes:Clock tolerance is +/- 50 ppm
Environmental Specifications
Automatic crossover detection is enabled. External crossover cable is not required
| Environmental Specifications | ||||||
| Parameter | Symbol | Min | Typ | Max | unit | Notes/Conditions |
| Operating Temperature | Top | 0 | 70 | °C | Case temperature | |
| Storage Temperature | Tsto | -40 | 85 | °C | Ambient temperature | |
Serial Communication Protocol
All SFPs support the 2-wire serial communication protocol outlined in the SFP MSA. These SFPs use an MCU, can be accessed with address of A0h.
| Serial Bus Timing, Requirements | ||||||
| Parameter | Symbol | Min | Typ | Max | unit | Notes/Conditions |
| I 2C Clock Rate | 0 | 200,000 | Hz | |||
Recommended Application Circuit

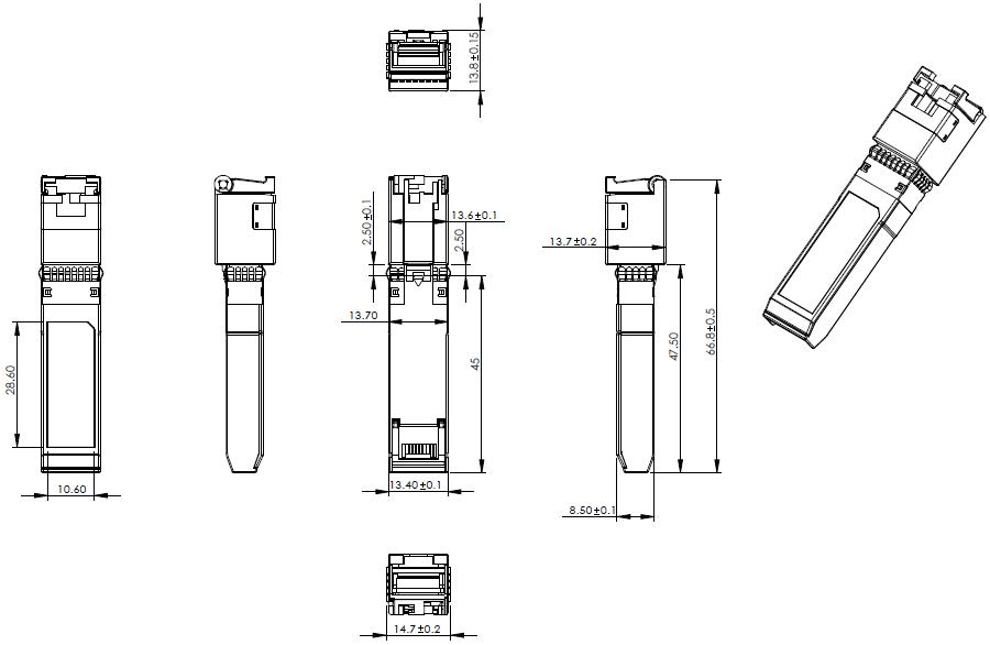
Outline Dimensions (mm)

北亿纤通 | F-tone Networks
企业邮箱: sales@f-tone.com
企业手机:19081343401
企业电话:028-85255257
企业传真:028-85977702
注:本产品有全国产化型号可选
本产品为SFP ST光模块,仅展示部分参数,如有需要,请联系我们。
Important Notice
Performance figures, data and any illustrative material provided in this data sheet are typical and must be specifically confirmed in writing by F-tone Networks before they become applicable to any particular order or contract. In accordance with the F-tone Networks policy of continuous improvement specifications may change without notice.
The publication of information in this data sheet does not imply freedom from patent or other protective rights of F-tone Networks or others. Further details are available from any F-tone Networks sales representative.ntative.

光学性能测试
测试光纤收发模块的眼图情况、接收灵敏度、消光比、波长、发光、光接收、电流和电压,以确保信号质量、传输的稳定性和可靠性。
Traffic Testing
测试误码率和丢包率,使其符合相应标准,确保收发器的性能。


光学性能测试
测试光纤收发模块的眼图情况、接收灵敏度、消光比、波长、发光、光接收、电流和电压,以确保信号质量、传输的稳定性和可靠性。
端面测试
检查光纤收发模块的端面并保持清洁,以实现更稳定的数据传输、更好的性能和耐用性。


兼容品牌:
华为 | 华三 | 中兴 | 锐捷 | Cisco | Juniper | Arista | Brocade |HPE ProCurve | HPE Aruba | HPE BladeSystem | HPE H3C | H3C | Dell | Extreme | HW | Generic | F-tone | Intel | Netgear | IBM | NVIDIA/Mellanox (Ethernet) | Ciena | Fortinet | Avago | Avaya | Alcatel-Lucent | D-Link | F5 | Ubiquiti | Mikrotik |Broadcom…..


-斜-无防尘帽.jpg)
