
产品概述
FTBR-2316TZ光纤接收器,配合62.5/125Hm多模光纤使用,为工业、发电、医疗、交通和游戏应用等领域提供高性能低成本的光纤通信链路,配1312发射器件,传输距离最小为5千米。
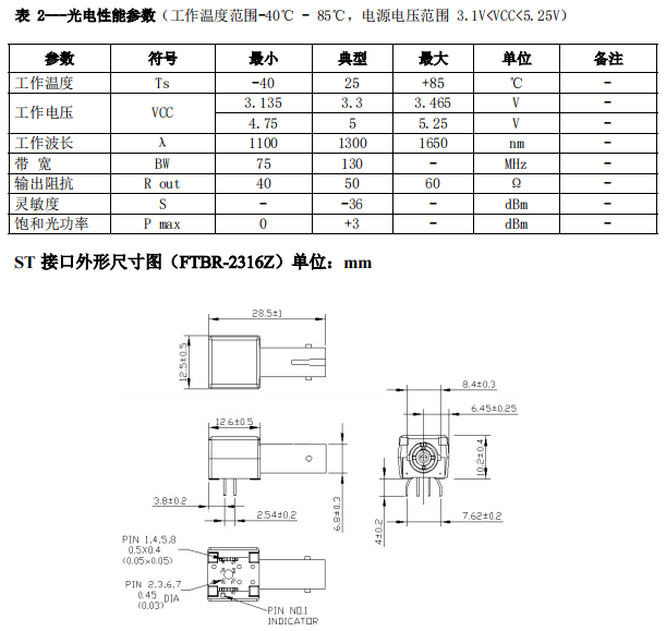
FTBR-2316TZ支持工业标准的ST光纤接口,提供带螺纹可选。适配多种类光纤芯径的多模光纤,包括50 /125μm,62.5/125μm.
FTBR-2316TZ接收器包含一个InGaAs PIN光电二极管和一个低噪声跨阻抗前置放大器,工作波长1300 nm。
产品特点
●数据传输速率:155MBd
● 传输距离最小值:5千米
● 符合 RoHS 标准
●适配多种芯径光纤
● ST接头带螺纹可选
●满足工业级温度范围:-40℃至85℃
应用
● 高速度局域网
● 局域网络
● 电信交换机系统



北亿纤通 | F-tone Networks
企业邮箱:sales@f-tone.com
企业手机:19081343401
企业电话:028-85255257
企业传真:028-85977702
注:本产品有全国产化型号可选
Important Notice
Performance figures, data and any illustrative material provided in this data sheet are typical and must be specifically confirmed in writing by F-tone Networks before they become applicable to any particular order or contract. In accordance with the F-tone Networks policy of continuous improvement specifications may change without notice.
The publication of information in this data sheet does not imply freedom from patent or other protective rights of F-tone Networks or others. Further details are available from any F-tone Networks sales representative.hts of F-tone Networks or others. Further details are available from any F-tone Networks sales representative.ble from any F-tone Networks sales representative.s sales representative.

光学性能测试
测试光纤收发模块的眼图情况、接收灵敏度、消光比、波长、发光、光接收、电流和电压,以确保信号质量、传输的稳定性和可靠性。
Traffic Testing
测试误码率和丢包率,使其符合相应标准,确保收发器的性能。


光学性能测试
测试光纤收发模块的眼图情况、接收灵敏度、消光比、波长、发光、光接收、电流和电压,以确保信号质量、传输的稳定性和可靠性。
端面测试
检查光纤收发模块的端面并保持清洁,以实现更稳定的数据传输、更好的性能和耐用性。


兼容品牌:
华为 | 华三 | 中兴 | 锐捷 | Cisco | Juniper | Arista | Brocade |HPE ProCurve | HPE Aruba | HPE BladeSystem | HPE H3C | H3C | Dell | Extreme | HW | Generic | F-tone | Intel | Netgear | IBM | NVIDIA/Mellanox (Ethernet) | Ciena | Fortinet | Avago | Avaya | Alcatel-Lucent | D-Link | F5 | Ubiquiti | Mikrotik |Broadcom…..







