
产品介绍
FT-1522Z/2522Z系列光纤收发器件,配合650nm塑料光纤使用,为工业、发电、医疗、交通和游戏应用等领域提供高性能低成本的光纤通信链路,FT-1522Z在60mA电流驱动下,典型传输距离最小为90米。FT-1522Z/2522Z与AVAGO的HFBR-1522Z/2522Z系列产品完全兼容,支持工业标准的塑料光纤接口,提供水平结构。FT-1522Z/2522Z适配直径1mm的塑料光纤和直径200μm的HCS光纤.
FT-1522Z为发射器,由一颗峰值波长为650nm的高功率LED芯片封装而成,配合1mm芯径的塑料光纤在60mA电流驱动下输出光功率典型值为-5dBm。FT-2522Z为接收器,由一颗集成光电二极管的高增益跨阻放大器构成,输出级为开漏输出,支持最大输出电压为18V。为了提高接收器输出脉宽的稳定性,接收芯片设计了自动脉宽校准电路,脉宽失真在±20ns以内。
产品特点
- 数据传输速率:DC-1MBd
- 典型传输距离:90米
- 输出波形脉宽稳定
- 满足工业级温度范围:-40℃至 85℃
- 符合RoHS标准
产品应用
- 工厂自动化
- 局域网络
- 音视频应用/游戏应用
- 工业网络和现场总线
系统连接指标
收发链路光电参数
| 参数 | 符号 | 最小值 | 典型值 | 最大值 | 单位 | 说明 |
| 信号速率 | Sr | DC | 1 | MBd | ||
| 传输距离 | L | 50 | 90 | m | IF=60mA | |
| 输出从低到高时延 | TPLH | 47 | ns | 光纤长度0.1m,PR=-10dBm | ||
| 输出从高到低时延 | TPHL | 42 | ns | 光纤长度0.1m, PR=-10dBm | ||
| 脉冲宽度失真 | TP | -5 | ns | 光纤长度0.1m, PR=-10dBm | ||
| -7 | ns | PR= -24dBm |
发射器指标
发射器管脚定义
| 管脚序号 | 管脚名称 | 管脚定义 |
| 1 | Anode | LED阳极 |
| 2 | Cathode | LED阴极 |
| 3 | NC | NC |
| 4 | NC | NC |
绝对最大额定值
| 参数 | 符号 | 最小值 | 最大值 | 单位 | 说明 |
| 存储温度 | Ts | -40 | +85 | ℃ | |
| 工作温度 | Ta | -40 | +85 | ℃ | |
| 正向直流电流 | IF | 100 | mA | ||
| 反向电压 | VR | 10 | V | T=25℃ | |
| 循环铅焊温度 | 260/10 | ℃/s |
光电性能参数(工作温度范围-40℃ – 85℃,电源电压范围 4.75V<Vcc<5.25V)
| 参数 | 符号 | 最小值 | 典型值 | 最大值 | 单位 | 说明 |
| 1mmPOF光纤输出 | PT | -8 | -5 | -3 | dBm | IF=60mA,T=25℃ |
| -10 | -2 | IF=60mA | ||||
| 输出光功率温度系数 | PT/T | -0.45 | %/℃ | |||
| 峰值辐射波长 | PK | 640 | 650 | 660 | nm | |
| 正向电压 | VF | 1.85 | 2.0 | 2.4 | V | IF=60mA |
| 数值孔径 | NA | 0.5 | ||||
| 上升时间 | Tr | 15 | 17 | ns | IF=60mA | |
| 下降时间 | Tf | 15 | 17 | ns | IF=60mA |
接收器指标
接收器管脚定义
| 管脚序号 | 管脚名称 | 管脚定义 |
| 1 | Vo | 输出端 |
| 2 | GND | 芯片地 |
| 3 | VCC | 芯片电源 |
| 4 | RL | 负载端 |
绝对最大额定值
| 参数 | 符号 | 最小值 | 最大值 | 单位 | 说明 |
| 存储温度 | Ts | -40 | +85 | ℃ | |
| 工作温度 | Ta | -40 | +85 | ℃ | |
| 循环铅焊温度 | 260/10 | ℃/s | |||
| 电源电压 | VCC | -0.5 | 7 | V |
光电性能参数(工作温度范围-40℃ – 85℃,电源电压范围 4.75V<Vcc<5.25V)
| 参数 | 符号 | 最小值 | 典型值 | 最大值 | 单位 | 说明 |
| 峰值波长 | λ | 650 | nm | |||
| 输出0时的输入功率 | PRL | -26 | -1 | dBm | T=25℃ | |
| -25 | -2 | |||||
| 输出1时的输入功率 | PRH | -40 | dBm | VO=5V | ||
| 输出低时的输出电压 | VOL | 0.2 | 0.4 | V | PR=PRLmin | |
| 输出高时的漏电流 | IOH | 100 | μA | PR=0 | ||
| 电源电流 | ICCH | 5.2 | 10 | mA | VCC=5V,PR=0 | |
| 电源电流 | ICCL | 5.3 | 10 | mA | VCC=5V,PR=-24dBm | |
| 内部上拉电阻 | RL | 800 | 1000 | 1200 | Ω |
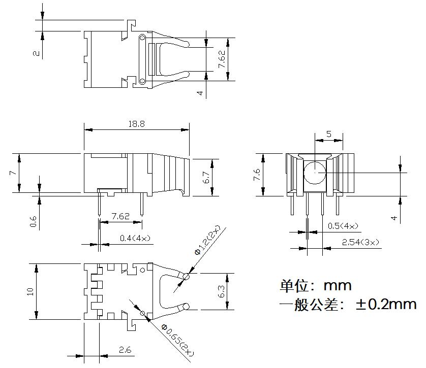
外形尺寸图(FT-1522Z/2522Z)

产品型号列表
| 产品型号 | 说明 |
| FT-1522Z | 发射器件 |
| FT-2522Z | 接收器件 |
北亿纤通 | F-tone Networks
企业邮箱:sales@f-tone.com
企业手机:19081343401
企业电话:028-85255257
企业传真:028-85977702
注:本产品有全国产化型号可选
Important Notice
Performance figures, data and any illustrative material provided in this data sheet are typical and must be specifically confirmed in writing by F-tone Networks before they become applicable to any particular order or contract. In accordance with the F-tone Networks policy of continuous improvement specifications may change without notice.
The publication of information in this data sheet does not imply freedom from patent or other protective rights of F-tone Networks or others. Further details are available from any F-tone Networks sales representative.le from any F-tone Networks sales representative. details are available from any F-tone Networks sales representative.or other protective rights of F-tone Networks or others. Further details are available from any F-tone Networks sales representative.

光学性能测试
测试光纤收发模块的眼图情况、接收灵敏度、消光比、波长、发光、光接收、电流和电压,以确保信号质量、传输的稳定性和可靠性。
Traffic Testing
测试误码率和丢包率,使其符合相应标准,确保收发器的性能。


光学性能测试
测试光纤收发模块的眼图情况、接收灵敏度、消光比、波长、发光、光接收、电流和电压,以确保信号质量、传输的稳定性和可靠性。
端面测试
检查光纤收发模块的端面并保持清洁,以实现更稳定的数据传输、更好的性能和耐用性。


兼容品牌:
华为 | 华三 | 中兴 | 锐捷 | Cisco | Juniper | Arista | Brocade |HPE ProCurve | HPE Aruba | HPE BladeSystem | HPE H3C | H3C | Dell | Extreme | HW | Generic | F-tone | Intel | Netgear | IBM | NVIDIA/Mellanox (Ethernet) | Ciena | Fortinet | Avago | Avaya | Alcatel-Lucent | D-Link | F5 | Ubiquiti | Mikrotik |Broadcom…..






