兼容HFBR-1414TZ,国产替代光模块

产品介绍
FTBR-1414xx/2412xx系列光纤收发器件,配合850nm多模光纤使用,为工业、发电、医疗、交通和游戏应用等领域提供高性能低成本的光纤通信链路,FTBR-1414xx在60mA电流驱动下,传输距离min为2750米。
FTBR-1414xx/2412xx与AVAGO的HFBR-1414/2412系列产品兼容,支持工业标准的ST光纤接口,提供带螺纹和金属接口可选。FTBR-1414xx/2412xx适配多种类光纤芯径的多模光纤,包括50/125μm,62.5/125μm,100/140μm和200μm.FTBR-1414xx为发射器,由一颗峰值波长为850nm的高功率LED芯片封装而成,配合62.5/125μm芯径的850nm多模光纤在60mA电流驱动下输出光功率典型值为-14dBm。FTBR-2412xx为接收器,由一颗集成光电二极管的高增益跨阻放大器构成,输出级为开漏MOSFET结构,支持max输出电压为18V。

产品特点
●  数据传输速率:DC-5MBd
●  传输距离min值:2750米
●  输出波形脉宽稳定
●  满足工业级温度范围:-40℃至 85℃
●  符合 RoHS 标准
●  适配多种芯径光纤
●  ST接头带螺纹和金属接口可选

产品应用
●  工厂自动化
●  局域网络
●  音视频应用/游戏应用
●  工业网络和现场总线
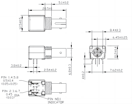
ST接口外形尺寸图(FTBR-1414Z/2412MZ)

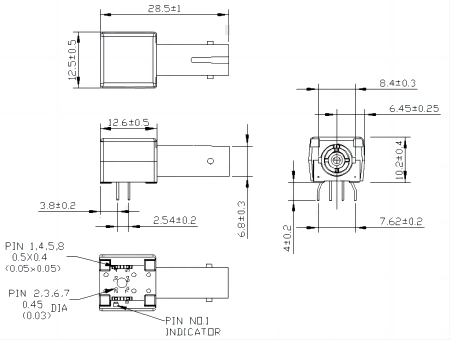
带螺纹的ST接口外形尺寸图(FTBR-1414TZ/2412TZ)

产品型号列表

产品型号说明
FTBR-1414MZ发射器件,金属ST接口
FTBR-2412MZ接收器件,金属ST接口
FTBR-1414TZ发射器件,带螺纹的ST接口
FTBR-2412TZ接收器件,带螺纹的ST接口

北亿纤通 | F-tone Networks
企业邮箱:sales@f-tone.com
企业手机:19081343401
企业电话:028-85255257
企业传真:028-85977702

注:本产品有全国产化型号可选
Important Notice

Performance figures, data and any illustrative material provided in this data sheet are typical and must be specifically confirmed in writing by F-tone Networks before they become applicable to any particular order or contract. In accordance with the F-tone Networks policy of continuous improvement specifications may change without notice.

The publication of information in this data sheet does not imply freedom from patent or other protective rights of F-tone Networks or others. Further details are available from any F-tone Networks sales representative.other protective rights of F-tone Networks or others. Further details are available from any F-tone Networks sales representative.s are available from any F-tone Networks sales representative.Networks sales representative.one Networks sales representative.one Networks or others. Further details are available from any F-tone Networks sales representative.s sales representative.

光学性能测试

测试光纤收发模块的眼图情况、接收灵敏度、消光比、波长、发光、光接收、电流和电压,以确保信号质量、传输的稳定性和可靠性。

Traffic Testing

测试误码率和丢包率,使其符合相应标准,确保收发器的性能。

光学性能测试

测试光纤收发模块的眼图情况、接收灵敏度、消光比、波长、发光、光接收、电流和电压,以确保信号质量、传输的稳定性和可靠性。

端面测试

检查光纤收发模块的端面并保持清洁,以实现更稳定的数据传输、更好的性能和耐用性。

兼容品牌:

华为 | 华三 | 中兴 | 锐捷 | Cisco | Juniper | Arista | Brocade |HPE ProCurve | HPE Aruba | HPE BladeSystem | HPE H3C | H3C | Dell | Extreme | HW | Generic | F-tone | Intel | Netgear | IBM | NVIDIA/Mellanox (Ethernet) | Ciena | Fortinet | Avago | Avaya | Alcatel-Lucent | D-Link | F5 | Ubiquiti | Mikrotik |Broadcom…..

滚动至顶部