兼容欧姆龙G3VM-61A光耦,国产替换

Features
● Low driver power requirements (TTL/CMOS Compatible)
● No moving parts
● High reliability
● Arc-Free with no snubbing circuits
● 3750Vrms Input/Output isolation

Applications
● Telecommunications (PC, Electronic notepad)
● Measuring and Testing equipment
● Industrial control
● Security equipments
● High speed inspection machine

Absolute Maximum Ratings (Ambient Temperature: 25℃)

ItemSymbolValueUnitsNote
InputContinuous LED CurrentIF50mA
Peak LED CurrentIFP1000mAf=100Hz, duty=1%
LED Reverse VoltageVR5V
Input Power DissipationPIn75mW
OutputLoad VoltageVL60V(AC peak or DC)
Load CurrentIL0.5A
Peak Load CurrentIPeak1.5A100ms(1 pulse)
Output Power DissipationPout380mW
Total Power DissipationPT500mW
I/O Breakdown VoltageVI/O3750VrmRH=60%, 1min
Operating TemperatureTopr-40 to +85
Storage TemperatureTstg-40 to +100
Pin Soldering TemperatureTsol26010 sec max.

Electrical Specifications (Ambient Temperature: 25℃)

ItemSymbolMIN.TYP.MAX.UnitsConditions
InputLED Forward VoltageVF1.21.4VIF=10mA
Operation LED CurrentIF on0.55.0mA
Recovery LED CurrentIF off0.350.5mA
Recovery LED VoltageVF off0.7V
OutputOn-ResistanceRon0.832.5ΩIF=10mA,IL=1Amp   Within 10ms on time
Off-State Leakage CurrentILeak1uAIF=0mA,VL=50V
Output CapacitanceCout115pFf=1MHz
Transmis sionTurn-On TimeTon1.04msIF=5mA, IL=100mA
Turn-Off TimeToff0.051ms
CoupledI/O Isolation ResistanceRI/O5DC=500V
I/O CapacitanceCI/O0.81.5pFf=1MHz

Reference Data

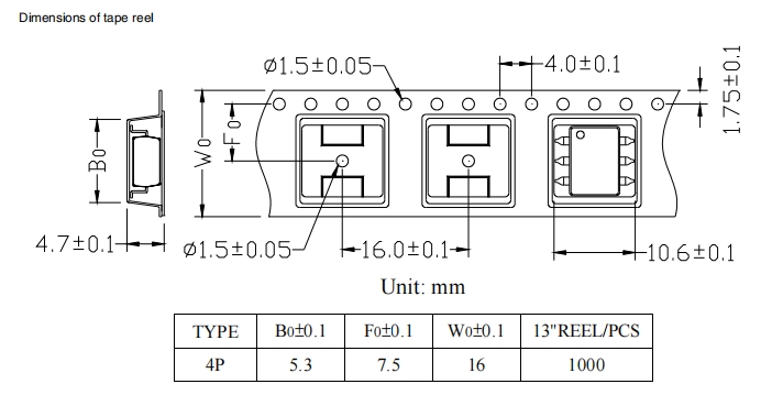
Dimensions

Outline Dimensions

订购信息

categoryoutput ratingPackagepart No.packing quantity类别
Load voltageLoad current
AC/DC60V0.5ADIP4FTY212E50pcs/tube工业级
SMD4FTY212EH1000pcs/1reel工业级
AC/DC60V0.5ADIP4FTY212EM50pcs/tube军品级
SMD4FTY212EMH1000pcs/1reel军品级

北亿纤通 | F-tone Networks

企业邮箱:sales@f-tone.com
企业手机:19081343401
企业电话:028-85255257
企业传真:028-85977702

注:本产品有全国产化型号可选
本产品为FT-AN系列,仅展示部分参数,如有需要,请您联系我们。

Important Notice

Performance figures, data and any illustrative material provided in this data sheet are typical and must be specifically confirmed in writing by F-tone Networks before they become applicable to any particular order or contract. In accordance with the F-tone Networks policy of continuous improvement specifications may change without notice.

The publication of information in this data sheet does not imply freedom from patent or other protective rights of F-tone Networks or others. rther details are available from any F-tone Networks sales representative.

滚动至顶部