
产品特点
● 低插入损耗
● 波长范围宽
● 低串扰
● 结构紧凑
● 切换速度快
应用范围
● 无源光网络
● 光保护系统
● 测量系统
● 网络监控
技术参数
| 参数 | 单位 | FT-98-OSW-D2x2B | |
| 工作波长 | nm | SM:1260~1620 | MM:850±40 |
| 测试波长 | nm | 1310 / 1550 | 850 |
| 插入损耗(IL) | dB | ≤0.8(典型值:0.6 ) | |
| 波长相关损耗(WDL) | dB | ≤0.25 | |
| 温度相关损耗(TDL) | dB | ≤0.2 | |
| 偏振相关损耗(PDL) | dB | ≤0.05 | |
| 回波损耗(RL) | dB | SM≥50 ,MM≥30 | |
| 串扰(CT) | dB | SM≥55 ,MM≥35 | |
| 重复性 | dB | ≤±0.02 | |
| 切换速度 | ms | ≤8 | |
| 切换次数 | times | ≥10 million | |
| 工作电压 | V | 3.0 or 5.0 | |
| 承受光功率 | mw | ≤500 | |
| 工作温度 | ℃ | -5~+70 | |
| 储存温度 | ℃ | -40~+85 | |
| 工作湿度 | ℃ | 5~95 | |
| 封装尺寸 | mm | L27xW12xH8.2 | |
| 备注:1.所有参数均在室温工作环境下测试。2.所有参数均不包括连接头插入损耗,每每对连接头增加 0.3dB 损耗。 | |||
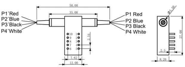
驱动管脚定义
| 类型 | 状态 | 光通路 | 电控驱动 | 状态指示 | ||||||
| D2x2B | Pin 1 | Pin 5 | Pin 6 | Pin 10 | Pin 2-3 | Pin 3-4 | Pin 7-8 | Pin 8-9 | ||
| 自锁 | A | P1-P3‵ | – | – | GND | V+ | Close | Open | Open | Close |
| P2-P4‵ | ||||||||||
| B | P1-P1‵,P2-P2‵ | V+ | GND | – | – | Open | Close | Close | Open | |
| P3-P3‵,P4-P4‵ | ||||||||||
| 非自锁 | A | P1-P3‵ | – | – | – | Close | Open | Open | Close | |
| P2-P4‵ | ||||||||||
| B | P1-P1‵,P2-P2‵ | V+ | – | – | GND | Open | Close | Close | Open | |
| P3-P3‵,P4-P4‵ | ||||||||||
电控参数
| 类型 | 电压 | 电流 | 电阻 |
| 5V 自锁 | 4.5~5.5V | 36~44mA | 125Ω |
| 5V 非自锁 | 4.5~5.5V | 26~32mA | 175Ω |
| 3V 自锁 | 2.7~3.3V | 54~66mA | 50Ω |
| 3V 非自锁 | 2.7~3.3V | 39~47mA | 70Ω |
光路示意图

外形尺寸(mm)

订购信息:FT-98-OSW-D1x2-A-B-C-D-E-F
| A | B | C | D | E | F |
| 测试波长 | 开关类型 | 光纤类型 | 光纤直径 | 光纤长度 | 连接头类型 |
| 850: 850nm | 3L: 自锁 | SM: 单模 9/125 | 025: Φ0.25mm | 05: 0.5m | 00: None |
| 1310: 1310nm | 3N: 非自锁 | M1: 多模 50/125 | 09: Φ0.9mm | 10: 1.0m | FP: FC/UPC |
| 1550: 1550nm | 5L: 自锁 | M2: 多模 62.5/125 | X: 其他 | 15: 1.5m | FA: FC/APC |
| D: 1310/1550nm | 5N: 非自锁 | X: 其他 | X: 其他 | SP: SC/UPC | |
| X: 其他 | SA: SC/APC | ||||
| LP: LC/UPC | |||||
| LA: LC/APC | |||||
| X: 其他 |
北亿纤通 | F-tone Networks
企业邮箱:sales@f-tone.com
企业手机:19081343401
企业电话:028-85255257
企业传真:028-85977702
注:本产品有全国产化型号可选
本产品为FT-98系列,仅展示部分参数,如有需要,请联系我们。
Important Notice
Performance figures, data and any illustrative material provided in this data sheet are typical and must be specifically confirmed in writing by F-tone Networks before they become applicable to any particular order or contract. In accordance with the F-tone Networks policy of continuous improvement specifications may change without notice.
The publication of information in this data sheet does not imply freedom from patent or other protective rights of F-tone Networks or others. rther details are available from any F-tone Networks sales representative.

光学性能测试
测试光纤收发模块的眼图情况、接收灵敏度、消光比、波长、发光、光接收、电流和电压,以确保信号质量、传输的稳定性和可靠性。
Traffic Testing
测试误码率和丢包率,使其符合相应标准,确保收发器的性能。


光学性能测试
测试光纤收发模块的眼图情况、接收灵敏度、消光比、波长、发光、光接收、电流和电压,以确保信号质量、传输的稳定性和可靠性。
端面测试
检查光纤收发模块的端面并保持清洁,以实现更稳定的数据传输、更好的性能和耐用性。


兼容品牌:
华为 | 华三 | 中兴 | 锐捷 | Cisco | Juniper | Arista | Brocade |HPE ProCurve | HPE Aruba | HPE BladeSystem | HPE H3C | H3C | Dell | Extreme | HW | Generic | F-tone | Intel | Netgear | IBM | NVIDIA/Mellanox (Ethernet) | Ciena | Fortinet | Avago | Avaya | Alcatel-Lucent | D-Link | F5 | Ubiquiti | Mikrotik |Broadcom…..



