兼容AFBR-1629Z,国产替代光模块

产品介绍
FT-1629Z/2529Z系列光纤收发器件,可配合650nm塑料光纤使用,为工业、发电、医疗、交通和游戏应用等领域提供高性能低成本的光纤通信链路。
FT-1629Z/2529Z与AVAGO的AFBR-1629Z/2529Z系列产品兼容,支持工业标准的塑料光纤接口,提供水平结构。FT-1629Z/2529Z能够适配直径1mm的塑料光纤和直径200μm的PCS光纤,搭配1mm直径的塑料光纤使用,可实现min50米的传输距离。FT-1629Z为发射器,由一颗峰值波长为650nm的高功率LED芯片和其驱动芯片封装而成,配合1mm芯径的塑料光纤在5V电源电压下输出光功率典型值为-2dBm。FT-2529Z为接收器,由一颗集成光电二极管的高增益跨阻放大器构成,输出级为轨到轨结构,最终输出TTL电平。为了提高接收器输出脉宽的稳定性,接收芯片设计了自动脉宽校准电路,脉宽失真在±4ns以内。

产品特点

●   数据传输速率:DC-50MBd

●   传输距离min小值:50米

●   输出波形脉宽稳定

●   工作温度范围:-40℃至 85℃

●   符合 RoHS 标准

●   适配多种光纤

产品应用

●   工厂自动化

●   局域网络

●   音视频应用/游戏应用

●   工业网络和现场总线

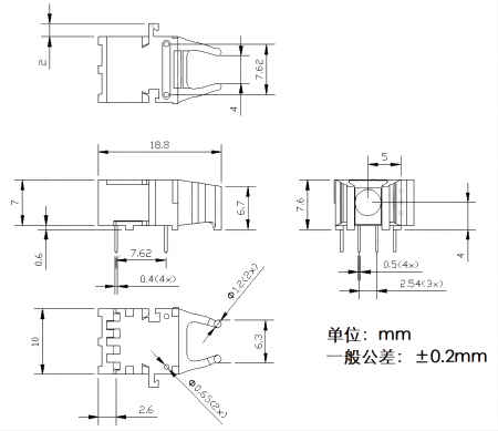
外形尺寸图(FT-1629Z)

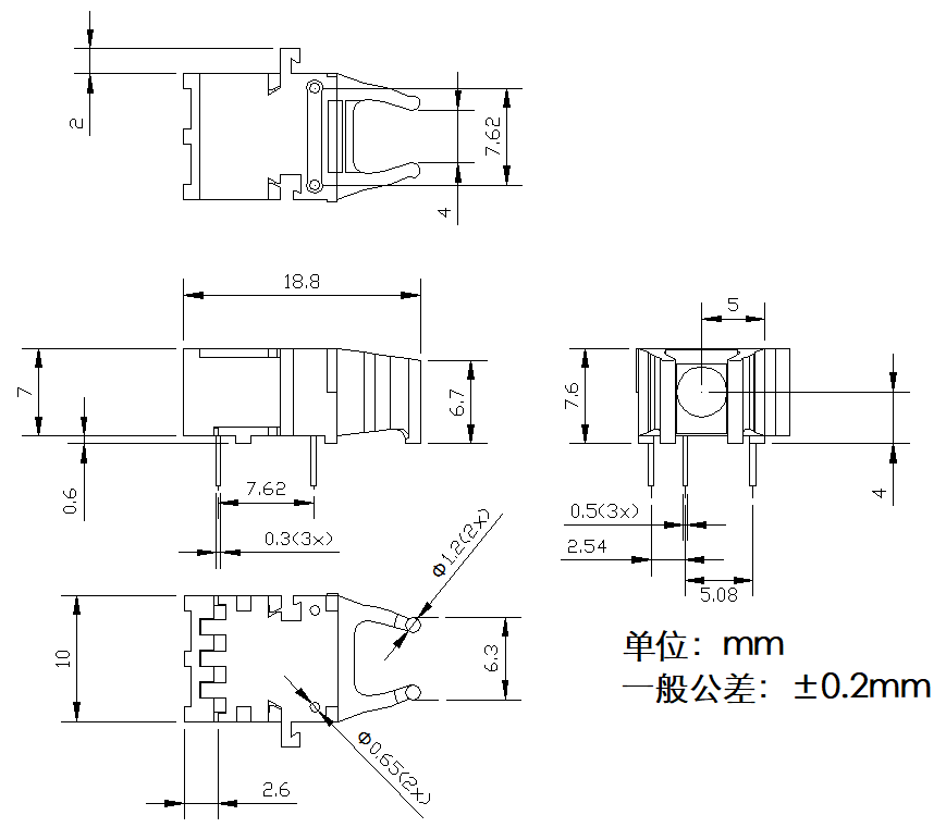
外形尺寸图(FT-2529Z)

产品型号列表

产品型号说明
FT-1629Z发射器件
FT-2529Z接收器件

北亿纤通 | F-tone Networks
企业邮箱:sales@f-tone.com
企业手机:19081343401
企业电话:028-85255257
企业传真:028-85977702

注:本产品有全国产化型号可选
Important Notice

Performance figures, data and any illustrative material provided in this data sheet are typical and must be specifically confirmed in writing by F-tone Networks before they become applicable to any particular order or contract. In accordance with the F-tone Networks policy of continuous improvement specifications may change without notice.

The publication of information in this data sheet does not imply freedom from patent or other protective rights of F-tone Networks or others. Further details are available from any F-tone Networks sales representative.tective rights of F-tone Networks or others. Further details are available from any F-tone Networks sales representative.

光学性能测试

测试光纤收发模块的眼图情况、接收灵敏度、消光比、波长、发光、光接收、电流和电压,以确保信号质量、传输的稳定性和可靠性。

Traffic Testing

测试误码率和丢包率,使其符合相应标准,确保收发器的性能。

光学性能测试

测试光纤收发模块的眼图情况、接收灵敏度、消光比、波长、发光、光接收、电流和电压,以确保信号质量、传输的稳定性和可靠性。

端面测试

检查光纤收发模块的端面并保持清洁,以实现更稳定的数据传输、更好的性能和耐用性。

兼容品牌:

华为 | 华三 | 中兴 | 锐捷 | Cisco | Juniper | Arista | Brocade |HPE ProCurve | HPE Aruba | HPE BladeSystem | HPE H3C | H3C | Dell | Extreme | HW | Generic | F-tone | Intel | Netgear | IBM | NVIDIA/Mellanox (Ethernet) | Ciena | Fortinet | Avago | Avaya | Alcatel-Lucent | D-Link | F5 | Ubiquiti | Mikrotik |Broadcom…..

滚动至顶部