3.125G 单模 1550nm 20km SFP BIDI光模块

Product Features
● 1310/ 1510 DFB Laser Diode with MQW Structure
● InGaAs PIN-TIA Photodiode Receiver
● Reach 20 km Transmission Distance on 9/125μm SMF
● DUAL Single Mode Transceiver SFP Footprint LC Optical Interface
● Compliant With SFP MSA and SFF-8472
● Digital Diagnostic Monitoring Interface
● Single +3.3V Power Supply
● CML Differential Inputs and Outputs
● LVTTL Signal Detection Output
● Compliant With ITU-T G.957
● Compliant With RoHS and Lead Free
● Metal Enclosure for Lower EMI
● Operating Case Temperature:
      Standard: 0 to +70°C
      Extend: -20 to +85°C
      Industrial: -40 to +85°C

Product Applications
● Gigabit Ethernet
● Fiber Channel
● ATM/SONET/SDH/Switch/Router
● Other Optical Transmission Systems

Performance Specifications
Absolute Maximum Ratings

ParameterSymbolMinMaxUnit
Storage TemperatureTst-40+85°C
Operating TemperatureTOBYCS-Bxx31-20D0+70°C
BYCS-Bxx31-20DE-20+85°C
BYCS-Bxx31-20DE-40+85°C
Input VoltageGNDVCCV
Power Supply VoltageVCC-VEE0+3.6V

Note: Stress in excess of maximum absolute ratings can cause permanent damage to the module.

Recommended Operating Conditions

ParameterSymbolMinTypMaxUnit
Storage TemperatureTst-40+85°C
Operating Case TemperatureTCBYCS-Bxx31-20D0+70°C
BYCS-Bxx31-20DE-20+85°C
BYCS-Bxx31-20DI-40+85°C
Power Supply VoltageVCC3.13.33.5V
Power Supply CurrentICC300mA
Data RateDR3.125Gbps

Optical Specification

Transmitter
ParametSymbolMinTypMaxUnitNote
Center Wavelength1310 DFBλC127013101340nm
1550 DFB150015101580
Spectral WidthDFBΔλ1nm
SMSR30dB
Average Optical Output PowerPo-52dBm
Extinction RatioER6dB
Optical Rise/Fall Time(20%-80%)Tr/Tf0.28ns
Receiver
ParameterSymbolMinTypMaxUnitNote
Operate WavelengthλC12611360nm
149015101580
Receiver SensitivityRSENS-18dBm1
Receiver SaturationPRS0dBm1
LOS Assert-35dBmAlarm : High-level
LOS De-Assert-20dBm
LOS Hysteresis0.55dBm

 Note:1. MinimumSensitivityandsaturationlevelsfora27-1PRBStestpattern@3.125Gbps

Electrical Specification

Transmitter
ParameterSymbolMinTypMaxUnitNote
Power Supply CurrentICCT80160mA2
Input Differential ImpedanceZIN90100110Ω
Input Swing Differential VoltageVIN3501600mV3
TX-Disable VoltageDisable2.0VCCV
Enable00.8V
TX-Fault VoltageFault2.0VCCV
Normal00.8V
Receiver
ParameterSymbolMinTypMaxUnitNote
Power Supply CurrentICCR70150mA2
Output Swing Differential VoltageVOUT8002000mV4
LOS VoltageHigh2.0VCCV
Low00.8V

Note:
2. The current excludes the output load current.
3. PECL/CML input, internally AC-coupled and terminated.
4. Internally AC-coupled.

Package Diagram
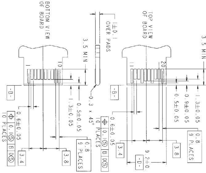
Board Layout Hole Pattern

LC Side Interface

Order Information

产品型号封装波长(-xx)速率(xx)传输距离  (-xx)x等级(x)
BYCS-B1331-20Dxx /
BYCS-B1531-20Dxx
SFPB13=T1310/R1550 
B15=T1550/R1310
31=3.125G20=20km空 不带DDM 
D 带DDM
空 商业级 
E 扩展级 
I 工业级

北亿纤通 | F-tone Networks

企业邮箱: sales@f-tone.com
企业手机:19081343401
企业电话:028-85255257
企业传真:028-85977702

注:本产品有全国产化型号可选
本产品仅展示部分参数,如有需要,请您联系我们。

Important Notice

Performance figures, data and any illustrative material provided in this data sheet are typical and must be specifically confirmed in writing by F-tone Networks before they become applicable to any particular order or contract. In accordance with the F-tone Networks policy of continuous improvement specifications may change without notice.

The publication of information in this data sheet does not imply freedom from patent or other protective rights of F-tone Networks or others. Further details are available from any F-tone Networks sales representative.Networks sales representative.one Networks sales representative.one Networks or others. Further details are available from any F-tone Networks sales representative.s sales representative.

光学性能测试

测试光纤收发模块的眼图情况、接收灵敏度、消光比、波长、发光、光接收、电流和电压,以确保信号质量、传输的稳定性和可靠性。

Traffic Testing

测试误码率和丢包率,使其符合相应标准,确保收发器的性能。

光学性能测试

测试光纤收发模块的眼图情况、接收灵敏度、消光比、波长、发光、光接收、电流和电压,以确保信号质量、传输的稳定性和可靠性。

端面测试

检查光纤收发模块的端面并保持清洁,以实现更稳定的数据传输、更好的性能和耐用性。

兼容品牌:

华为 | 华三 | 中兴 | 锐捷 | Cisco | Juniper | Arista | Brocade |HPE ProCurve | HPE Aruba | HPE BladeSystem | HPE H3C | H3C | Dell | Extreme | HW | Generic | F-tone | Intel | Netgear | IBM | NVIDIA/Mellanox (Ethernet) | Ciena | Fortinet | Avago | Avaya | Alcatel-Lucent | D-Link | F5 | Ubiquiti | Mikrotik |Broadcom…..

滚动至顶部