1×4磁光开关

产品特点
● 低插入损耗
● 结构紧凑
● us 级切换速度
● 超低功耗

应用范围
● 无源光网络
● 光保护系统
● 测量系统
● 网络监控

技术参数

ItemUnitParametersNotes
单向双向
波长范围nm1525 ~ 1565
插入损耗dB1.2 (Typ.); 1.7(Max.)1.4 (Typ.); 2.0(Max.)
偏振相关损耗dB0.15 (Typ.); 0.25(Max.)
回损dB≥40( Typ.50 )≥35( Typ.50 )
串扰dB≥40( Typ.50 )≥35( Typ.50 )
偏振模式色散ps0.2
重复性dB+/- 0.01
持续性cyclesRegular ( >100Billions) ; Ultra-fast ( >1000Billions)
切换速度μsRegular  (50~200);  Ultra-fast  (5~10)
工作温度°C-5 ~ 70
存储温度°C-40 ~ 85
光功率mW500
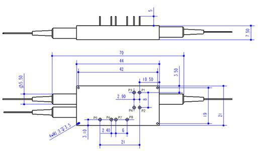
尺寸( L ×W × H )mm44×21×7.5

电控参数

ParametersSpecificationsUnit
RegularUltra-fast
Switching Speed50~2005~10μs
Switching Voltage (VCC)2.5( +/-5%)5.5~6.5V
Switching Current< 100< 350mA
Driving ModeVoltage or Pulse DrivingPulse DrivingNA
Pulse Width (typical)300(Typ.); 500(Max.)10μs
Claim Frequency<2000< 3000Hz

驱动管脚定义
单向

Pin No.Pin1Pin2Pin3Pin4Pin5Pin6Pin7Pin8
IN~OUT1++++
IN~OUT2++++
IN~OUT3++++
IN~OUT4++++

 双向

Pin No.Pin1Pin2Pin3Pin4Pin5Pin6Pin7Pin8
IN~OUT1++++
IN~OUT2++++
IN~OUT3++++
IN~OUT4++++

外形尺寸(mm)

订购信息 FT-98-MOS-1×4ZT-A-B-C-D-E-F

ABCDEF
工作模式切换速度工作波长光纤类型光纤长度连接头类型
1.单向2. 双向1.  50~200us2.5~10us3.    Others1.CBand1525~1565 nm2. Others1.250μm fiber2.   900μm fiber3.    Others1.0.5     +/- 0.1m2.    1.0 +/- 0.1 m3.    Others0.No    Connector1.    FC/UPC2.    FC/APC3.    SC/UPC4.    SC/APC5.    LC/PC6.    MU/PC7.    Others

北亿纤通 | F-tone Networks

企业邮箱:sales@f-tone.com
企业手机:19081343401
企业电话:028-85255257
企业传真:028-85977702

注:本产品有全国产化型号可选
本产品为FT-98系列,仅展示部分参数,如有需要,请联系我们。

Important Notice

Performance figures, data and any illustrative material provided in this data sheet are typical and must be specifically confirmed in writing by F-tone Networks before they become applicable to any particular order or contract. In accordance with the F-tone Networks policy of continuous improvement specifications may change without notice.

The publication of information in this data sheet does not imply freedom from patent or other protective rights of F-tone Networks or others. rther details are available from any F-tone Networks sales representative.

光学性能测试

测试光纤收发模块的眼图情况、接收灵敏度、消光比、波长、发光、光接收、电流和电压,以确保信号质量、传输的稳定性和可靠性。

Traffic Testing

测试误码率和丢包率,使其符合相应标准,确保收发器的性能。

光学性能测试

测试光纤收发模块的眼图情况、接收灵敏度、消光比、波长、发光、光接收、电流和电压,以确保信号质量、传输的稳定性和可靠性。

端面测试

检查光纤收发模块的端面并保持清洁,以实现更稳定的数据传输、更好的性能和耐用性。

兼容品牌:

华为 | 华三 | 中兴 | 锐捷 | Cisco | Juniper | Arista | Brocade |HPE ProCurve | HPE Aruba | HPE BladeSystem | HPE H3C | H3C | Dell | Extreme | HW | Generic | F-tone | Intel | Netgear | IBM | NVIDIA/Mellanox (Ethernet) | Ciena | Fortinet | Avago | Avaya | Alcatel-Lucent | D-Link | F5 | Ubiquiti | Mikrotik |Broadcom…..

滚动至顶部