
产品特点
● 无移动组件
● 切换速度快
● 极其稳定的锁存模式
● 低功耗
● 极好的稳定性和可靠性
应用范围
● 无源光网络
● 光保护系统
● 测量系统
● 网络监控
技术参数
| 参数 | 单位 | FT-98-UMS-1×2 | 单位 | ||
| 单向 | 双向 | ||||
| Wavelength Range(波长范围 ) | nm | 1525~1565 | Other band optional | ||
| Insertion Loss(插入损耗) | dB | 0.7 (Typ.);1.1(Max.) | 1.0(Typ.); 1.3(Max.) | ||
| PDL(偏振相关损耗) | dB | 0.1 (Typ.);0.2(Max.) | 0.1 (Typ.);0.3(Max.) | ||
| Return Loss( 回波损耗) | dB | 40 | 30 | ||
| Cross-talk( 串扰) | dB | 40 | 30 | ||
| PMD(偏振模色散) | ps | 0.2 | |||
| Repeatability(重复性) | dB | +/- 0.01 | |||
| Durability(使用寿命) | cycles | > 100 Billions | |||
| Switching Speed(切换速度) | μs | Regular (200~400); Ultra-fast (10~30) | Other speed optional | ||
| Storage Temperature(存储温度) | P0PC | -40~85 | |||
| Operating Temperature(工作温度) | P0PC | -5~70 | |||
| Maximum Optical Power(功率) | mW | 500 | High power optional | ||
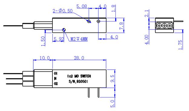
| Dimension( L ×W × H )(尺寸 ) | mm | 28×7.8 × 9.5 | |||
驱动管脚定义
单向
| Pin1 | Pin2 | The Optical Output Port |
| 1(Voltage = VCC) | 0(Voltage = GND) | IN→OUT1 OUT2→IN |
| 0(Voltage = GND) | 1(Voltage = VCC) | IN→OUT2 OUT1→IN |
双向
| Pin1 | Pin2 | The Optical Output Port |
| 1(Voltage = VCC) | 0(Voltage = GND) | IN ↔OUT1 |
| 0(Voltage = GND) | 1(Voltage = VCC) | IN ↔OUT2 |
电控参数
| Parameters | Specifications | Unit | |
| Regular | Ultra-fast | ||
| Switching Speed | 200~400 | 10~30 | μs |
| Switching Voltage (VCC) | 5 ( +/-5%) | 6.0~7.0 | V |
| Switching Current | < 100 | < 350 | mA |
| Driving Mode | Voltage or Pulse Driving | Pulse Driving | NA |
| Pulse Width (typical) | 1000 | 20 | μs |
| Claim Frequency | <800 | < 3000 | Hz |
Notes:
- Puoao provides optional switch driving board at additional charge;
- It is recommended to use Puoao’s switch driving board for the Ultra-fast switch;
- To avoid damaging the Ultra-fast switch, Puoao recommends to set the current limit below 800mA when the power supply voltage is set at 6.0V~7.0V.
外形尺寸(mm)

订购信息 FT-98-UMS-1×2-A-B-C-D-E-F-G
| A | B | C | D | E | F |
| Working Mode | SwitchingSpeed | Operating Wavelength | Fiber Tuber | Fiber Length | Connector Type |
| 1.Regular2. Bidirectional | 1.200~400us 2.10~30us3. Others | 1.C Band1525~1565 nm2. L Band 1565-1615 nm3. C & L Band4. Others | 1.250μm fiber 2. 900μmfiber3. Others | 1.0.5 +/- 0.1 m2. 1.0 +/- 0.1 m3. Others | 0.No Connector1. FC/UPC2. FC/APC3. SC/UPC4. SC/APC5. LC/PC6. MU/PC7. Others |
北亿纤通 | F-tone Networks
企业邮箱:sales@f-tone.com
企业手机:19081343401
企业电话:028-85255257
企业传真:028-85977702
注:本产品有全国产化型号可选
本产品为FT-98系列,仅展示部分参数,如有需要,请联系我们。
Important Notice
Performance figures, data and any illustrative material provided in this data sheet are typical and must be specifically confirmed in writing by F-tone Networks before they become applicable to any particular order or contract. In accordance with the F-tone Networks policy of continuous improvement specifications may change without notice.
The publication of information in this data sheet does not imply freedom from patent or other protective rights of F-tone Networks or others. rther details are available from any F-tone Networks sales representative.

光学性能测试
测试光纤收发模块的眼图情况、接收灵敏度、消光比、波长、发光、光接收、电流和电压,以确保信号质量、传输的稳定性和可靠性。
Traffic Testing
测试误码率和丢包率,使其符合相应标准,确保收发器的性能。


光学性能测试
测试光纤收发模块的眼图情况、接收灵敏度、消光比、波长、发光、光接收、电流和电压,以确保信号质量、传输的稳定性和可靠性。
端面测试
检查光纤收发模块的端面并保持清洁,以实现更稳定的数据传输、更好的性能和耐用性。


兼容品牌:
华为 | 华三 | 中兴 | 锐捷 | Cisco | Juniper | Arista | Brocade |HPE ProCurve | HPE Aruba | HPE BladeSystem | HPE H3C | H3C | Dell | Extreme | HW | Generic | F-tone | Intel | Netgear | IBM | NVIDIA/Mellanox (Ethernet) | Ciena | Fortinet | Avago | Avaya | Alcatel-Lucent | D-Link | F5 | Ubiquiti | Mikrotik |Broadcom…..



