1650.9nm 单模DFB蝶形激光器

描述
   1650.9nm 单模DFB蝶形激光器属于温控尾纤激光器系列,采用量子阱结构的DFB激光器,内置半导体制冷器,先进的激光焊接工艺实现蝶形(butterfly)尾纤式封装,结构紧凑,体积小,在光纤通信领域得到广泛应用;半导体制冷器高精度温度控制下,激光器功率高稳定、波长高稳定的优势,使得激光器在光纤传感器领域得到广泛应用。

特性:

  • 采用进口量子阱结构DFB半导体激光器芯片
  • 波长稳定
  • 高输出功率
  • 气密性温控封装
  •  封装形式:BF14 尾纤式、TF8 空间式、TO39 及其他定制

应用领域:

  •  光纤气体检测系统
  •  气体检测用无源器件生产检测

额定极限工作条件:

     参数指标符号参数值单位
    激光二极管正向电流If(LD)100mA
    激光二极管反向电压Vr(LD)2V
    背光探测器工作电流If(PD)2mA
    背光探测器反向电压Vr(PD)20V
    致冷器工作电流ITEC2.4A
    致冷器工作电压VTEC2.9V
    工作温度Topr-20~+70
    储存温度Tstg-40~+85
    引线焊接温度/时间Tsld260/10℃/s

技术参数:(测试环境温度为25℃)

     参数指标测试条件最小值典型值最大值单位
    出光功率POCW310mW
    阈值电流IthCW1218mA
    工作电流IopCW, 5mW100mA
    工作电压VopCW, 5mW1.52.0V
    斜率效率ηCW, 5mW0.050.1mW/mA
    峰值波长λpCW, 5mW@25℃λc -1λcλc+ 1nm
    波长稳定度λsCW, 5mW@25℃-0.1nm+0.1dB
    边模抑制比SMSRCW, 5mW35nm
    光谱宽度(20dB)∆λCW, 5mW0.2nm
    波长随温度变化漂移系数Δλ/T稳定工作电流Steady0.1nm/℃
    波长随电流变化漂移系数Δλ/T稳定工作温度Steady0.01nm/mA
    热敏电阻RthTtherm = 25ºC9.51010.5
注意:气体检测中,根据HITRAN提供的吸收谱线数据,同一种气体通常几个吸收峰,客户应先根据自己的系统需要选择最佳中心波长位置。

气体吸收参考表                                                                              

     气体成分吸收波长
    O2761nm、764nm (VCSEL)
    HF1268.7nm、1273nm、1278nm
    H2O1368.59nm、1392nm
    NH31512nm
    C2H21532.68nm
    CO1567nm
    H2S1578nm
    Co21580nm、2.0um
    C2H41620nm、1627nm
    CH41647nm、1650.9nm、1653.7nm、1660nm
    HCl1742nm

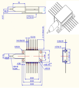
外形尺寸

订货信息

波长功率尾纤长度管脚定义连接头形式工作温度
可选或其他3-10mW1MS型或N型0=None
1=FC/APC
2=FC/UPC
3=SC/APC
4=SC/PC
23~25℃

北亿纤通 | F-tone Networks

企业邮箱: sales@f-tone.com
企业手机:19081343401
企业电话:028-85255257
企业传真:028-85977702

本产品为FT-73系列脉冲光纤激光器,仅展示部分参数,如有需要,请联系我们。

Important Notice

Performance figures, data and any illustrative material provided in this data sheet are typical and must be specifically confirmed in writing by F-tone Networks before they become applicable to any particular order or contract. In accordance with the F-tone Networks policy of continuous improvement specifications may change without notice.

The publication of information in this data sheet does not imply freedom from patent or other protective rights of F-tone Networks or others. Further details are available from any F-tone Networks sales representative.

滚动至顶部