
描述
1310nmDFB蝶形激光器属于温控尾纤激光器系列,采用量子阱结构的DFB激光器,内置半导体制冷器,先进的激光焊接工艺实现蝶形(butterfly)尾纤式封装,结构紧凑,体积小,在光纤通信领域得到广泛应用;半导体制冷器高精度温度控制下,激光器功率高稳定、波长高稳定的优势,使得激光器在光纤传感器领域得到广泛应用。
特性:
- 采用进口量子阱结构DFB半导体激光器芯片
- 波长稳定
- 高输出功率
- 气密性温控封装
- 封装形式:BF14 尾纤式、TF8 空间式、TO39 及其他定制
应用领域:
- 光纤气体检测系统
- 气体检测用无源器件生产检测
额定极限工作条件:
| 参数指标 | 符号 | 参数值 | 单位 |
| 激光二极管正向电流 | If(LD) | 100 | mA |
| 激光二极管反向电压 | Vr(LD) | 2 | V |
| 背光探测器工作电流 | If(PD) | 2 | mA |
| 背光探测器反向电压 | Vr(PD) | 20 | V |
| 致冷器工作电流 | ITEC | 2.4 | A |
| 致冷器工作电压 | VTEC | 2.9 | V |
| 工作温度 | Topr | -20~+70 | ℃ |
| 储存温度 | Tstg | -40~+85 | ℃ |
| 引线焊接温度/时间 | Tsld | 260/10 | ℃/s |
技术参数:(测试环境温度为25℃)
| 参数指标 | 符号 | 测试条件 | 最小值 | 典型值 | 最大值 | 单位 |
| 出光功率 | PO | CW | 3 | 10 | mW | |
| 阈值电流 | Ith | CW | – | 12 | 18 | mA |
| 工作电流 | Iop | CW, 5mW | – | – | 100 | mA |
| 工作电压 | Vop | CW, 5mW | – | 1.5 | 2.0 | V |
| 斜率效率 | η | CW, 5mW | 0.05 | 0.1 | – | mW/mA |
| 峰值波长 | λp | CW, 5mW@25℃ | λc -1 | λc | λc+ 1 | nm |
| 波长稳定度 | λs | CW, 5mW@25℃ | -0.1nm | +0.1 | dB | |
| 边模抑制比 | SMSR | CW, 5mW | 35 | – | – | nm |
| 光谱宽度(20dB) | ∆λ | CW, 5mW | – | 0.2 | nm | |
| 波长随温度变化漂移系数 | Δλ/T | 稳定工作电流Steady | 0.1 | nm/℃ | ||
| 波长随电流变化漂移系数 | Δλ/T | 稳定工作温度Steady | 0.01 | nm/mA | ||
| 热敏电阻 | Rth | Ttherm = 25ºC | 9.5 | 10 | 10.5 | kΩ |
| 注意:气体检测中,根据HITRAN提供的吸收谱线数据,同一种气体通常几个吸收峰,客户应先根据自己的系统需要选择最佳中心波长位置。 | ||||||
气体吸收参考表
| 气体成分 | 吸收波长 |
| O2 | 761nm、764nm (VCSEL) |
| HF | 1268.7nm、1273nm、1278nm |
| H2O | 1368.59nm、1392nm |
| NH3 | 1512nm |
| C2H2 | 1532.68nm |
| CO | 1567nm |
| H2S | 1578nm |
| Co2 | 1580nm、2.0um |
| C2H4 | 1620nm、1627nm |
| CH4 | 1647nm、1650.9nm、1653.7nm、1660nm |
| HCl | 1742nm |
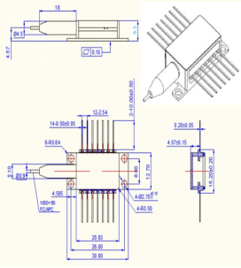
外形尺寸

订货信息
| 波长 | 功率 | 尾纤长度 | 管脚定义 | 连接头形式 | 工作温度 |
| 可选或其他 | 3-10mW | 1M | S型或N型 | 0=None 1=FC/APC 2=FC/UPC 3=SC/APC 4=SC/PC | 23~25℃ |
北亿纤通 | F-tone Networks
企业邮箱: sales@f-tone.com
企业手机:19081343401
企业电话:028-85255257
企业传真:028-85977702
本产品为FT-73系列脉冲光纤激光器,仅展示部分参数,如有需要,请联系我们。
Important Notice
Performance figures, data and any illustrative material provided in this data sheet are typical and must be specifically confirmed in writing by F-tone Networks before they become applicable to any particular order or contract. In accordance with the F-tone Networks policy of continuous improvement specifications may change without notice.
The publication of information in this data sheet does not imply freedom from patent or other protective rights of F-tone Networks or others. Further details are available from any F-tone Networks sales representative.
