-斜2.jpg)
Product Features
● Uncooled Laser Diode with MQW Structure
● InGaAs PIN-TIA Photodiode Receiver
● Reach 40 km Transmission Distance on 9/125μm SMF
● DUAL Single Mode Transceiver SFP Footprint LC Optical Interface
● Compliant With SFP MSA and SFF-8472
● Digital Diagnostic Monitoring Interface
● Single +3.3V Power Supply
● LVPECL Differential Inputs and Outputs
● LVTTL Signal Detection Output
● Compliant With ITU-T G.957
● Compliant With RoHS and Lead Free
● Metal Enclosure for Lower EMI
● Operating Case Temperature:
● Operating Case Temperature:
Standard: 0 to +70°C
Extend: -20 to +85°C
Industrial: -40 to +85°
Product Applications
● Gigabit Ethernet
● Fiber Channel
● ATM/SONET/SDH/Switch/Router
● Other Optical Transmission Systems
Absolute Maximum Ratings
| Parameter | Symbol | Min | Max | Unit | |
| Storage Temperature | Tst | -40 | +85 | °C | |
| Operating Temperature | TO | BYCS-1312-40D | 0 | +70 | °C |
| BYCS-1312-40DE | -20 | +85 | °C | ||
| BYCS-1312-40DI | -40 | +85 | °C | ||
| Input Voltage | – | GND | VCC | V | |
| Power Supply Voltage | VCC-VEE | 0 | +3.6 | V | |
Note: Stress in excess of maximum absolute ratings can cause permanent damage to the module.
Recommended Operating Conditions
| Parameter | Symbol | Min | Typ | Max | Unit | |
| Storage Temperature | Tst | -40 | – | +85 | °C | |
| Operating Case Temperature | TC | BYCS-1312-40D | 0 | – | +70 | °C |
| BYCS-1312-40DE | -20 | – | +85 | °C | ||
| BYCS-1312-40DI | -40 | – | +85 | °C | ||
| Power Supply Voltage | VCC | 3.1 | 3.3 | 3.5 | V | |
| Power Supply Current | ICC | – | – | 300 | mA | |
| Data Rate | DR | – | 1.25 | – | Gbps | |
Optical Specification
| Transmitter | |||||||
| Parameter | Symbol | Min | Typ | Max | Unit | Note | |
| Center Wavelength | 1310 DFB | λC | 1291 | 1310 | 1330 | nm | – |
| Spectral Width | DFB | Δλ | – | – | 1 | nm | – |
| Side Mode Suppression Ratio | SMSR | 30 | – | – | dB | DFB Laser | |
| Average Optical Output Power | Po | -3 | – | 2 | dBm | – | |
| Extinction Ratio | ER | 8.2 | – | – | dB | – | |
| Optical Rise/Fall Time(20%-80%) | Tr/Tf | – | – | 0.28 | ns | – | |
| Output Eye Diagram | Compliant with ITU-T G.957 | ||||||
| Receiver | |||||||
| Parameter | Symbol | Min | Typ | Max | Unit | Note | |
| Operate Wavelength | – | 1261 | – | 1620 | nm | – | |
| Receiver Sensitivity | RSENS | – | – | -24 | dBm | 1 | |
| Receiver Saturation | PRS | -3 | – | – | dBm | 1 | |
| LOS Assert | – | -35 | – | – | dBm | Alarm : High-level | |
| LOS De-Assert | – | – | – | -24 | dBm | ||
| LOS Hysteresis | – | 0.5 | – | 5 | dBm | – | |
Note: 1. Minimum Sensitivity and saturation levels for a 27–1 PRBS test pattern @1250Mbps.
Electrical Specification
| Transmitter | |||||||
| Parameter | Symbol | Min | Typ | Max | Unit | Note | |
| Power Supply Current | ICCT | – | 70 | 160 | mA | 2 | |
| Input Differential Impedance | ZIN | 90 | 100 | 110 | Ω | – | |
| Input Swing Differential Voltage | VIN | 350 | – | 1600 | mV | 3 | |
| TX-Disable Voltage | Disable | – | 2.0 | – | VCC | V | – |
| Enable | – | 0 | – | 0.8 | V | – | |
| TX-Fault Voltage | Fault | – | 2.0 | – | VCC | V | – |
| Normal | – | 0 | – | 0.8 | V | – | |
| Receiver | |||||||
| Parameter | Symbol | Min | Typ | Max | Unit | Note | |
| Power Supply Current | ICCR | – | 70 | 150 | mA | 2 | |
| Output Swing Differential Voltage | VOUT | 350 | – | 1600 | mV | 4 | |
| LOS Voltage | High | – | 2.0 | – | VCC | V | – |
| Low | – | 0 | – | 0.8 | V | – | |
Note:
2. The current excludes the output load current.
3. CML input, internally AC-coupled and terminated.
4. Internally AC-coupled.
Package Diagram
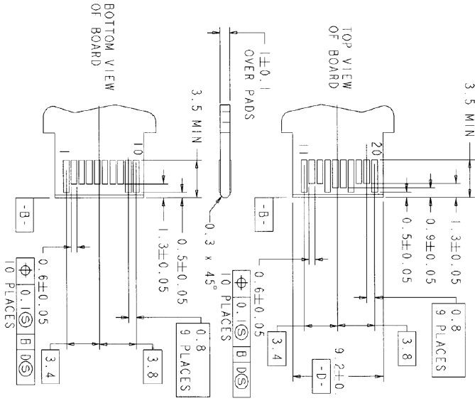
Board Layout Hole Pattern

LC Side Interface

Order Information
| 产品型号 | 封装 | 波长(-xx) | 速率(xx) | 传输距离 (-xx) | x | 等级(x) |
| BYCS-1312-40Dxx | SFP | 13=1310nm 15=1550nm | 12=1.25G | 20=20km 40=40km | 空 不带DDM D 带DDM | 空 商业级 E 扩展级 I 工业级 |
北亿纤通 | F-tone Networks
企业邮箱: sales@f-tone.com
企业手机:19081343401
企业电话:028-85255257
企业传真:028-85977702
注:本产品有全国产化型号可选
本产品仅展示部分参数,如有需要,请您联系我们。
Important Notice
Performance figures, data and any illustrative material provided in this data sheet are typical and must be specifically confirmed in writing by F-tone Networks before they become applicable to any particular order or contract. In accordance with the F-tone Networks policy of continuous improvement specifications may change without notice.
The publication of information in this data sheet does not imply freedom from patent or other protective rights of F-tone Networks or others. Further details are available from any F-tone Networks sales representative.

光学性能测试
测试光纤收发模块的眼图情况、接收灵敏度、消光比、波长、发光、光接收、电流和电压,以确保信号质量、传输的稳定性和可靠性。
Traffic Testing
测试误码率和丢包率,使其符合相应标准,确保收发器的性能。


光学性能测试
测试光纤收发模块的眼图情况、接收灵敏度、消光比、波长、发光、光接收、电流和电压,以确保信号质量、传输的稳定性和可靠性。
端面测试
检查光纤收发模块的端面并保持清洁,以实现更稳定的数据传输、更好的性能和耐用性。


兼容品牌:
华为 | 华三 | 中兴 | 锐捷 | Cisco | Juniper | Arista | Brocade |HPE ProCurve | HPE Aruba | HPE BladeSystem | HPE H3C | H3C | Dell | Extreme | HW | Generic | F-tone | Intel | Netgear | IBM | NVIDIA/Mellanox (Ethernet) | Ciena | Fortinet | Avago | Avaya | Alcatel-Lucent | D-Link | F5 | Ubiquiti | Mikrotik |Broadcom…..






